查看基本 AutoCAD for Mac 控件。
启动 AutoCAD 后,在欢迎屏幕上依次单击以开始绘制新图形。

新图形 Drawing1 从绘图区域正上方的新选项卡开始。可以单击各选项卡以在多个打开的图形文件之间切换。单击加号,可使用默认样板开始绘制新图形。

继续尝试启动和打开图形,并在选项卡之间切换。也可以拖动图形选项卡以对其重新排序。
AutoCAD 在绘图区域左侧包含工具组合。您可以从“绘图”选项卡访问本手册中出现的几乎所有的命令。此外,绘图区域上面的工具栏包括熟悉的命令,如“新建”、“打开”、“保存”、“打印”、“放弃”,等等。

AutoCAD 界面的核心部分是“命令”窗口,它通常固定在绘图区域的底部。“命令”窗口可显示提示、选项和消息。

您可以直接在“命令”窗口中输入命令,而不使用工具组合、工具栏和菜单。
请注意,开始键入命令时,它会自动完成。当提供了多个可能的命令时(如下例所示),您可以通过单击或使用箭头键并按 Enter 键或空格键来进行选择。

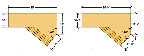
通过为文字、标注、线型和其他几种部件指定设置,您可以轻松地满足行业或公司标准的要求。例如,此后院甲板设计显示了两个不同的标注样式。

所有这些设置都可以保存在图形样板文件中。单击“新建”以从下面几个图形样板文件中进行选择:


列表中的“教程”样板文件是用于建筑或机械设计主题的简单样例,使用英制 (i) 和公制 (m) 版本。开始创建标注时,可能想要尝试使用这些标注。
大多数公司使用符合公司标准的图形样板文件。他们通常使用不同的图形样板文件,具体取决于项目或客户。
可以将任何图形 (.dwg) 文件另存为图形样板 (.dwt) 文件。要基于现有图形样板文件创建一个图形样板文件,请打开现有图形样板文件,对其进行修改,然后使用其他文件名进行保存。

如果您独立工作,可以开发图形样板文件以满足您的工作偏好,在以后您熟悉其他功能时,可以为它们添加设置。 要修改现有图形样板文件,请单击“打开”,在对话框中指定“图形样板(*.dwt)”并选择样板文件。

在您开始一个新图形后,您将首先确定一个单位表示长度(英寸、英尺、厘米、千米或某些其他长度单位)。例如,以下对象可能表示两栋长度各为 125 英尺的建筑,或者可能表示以毫米为测量单位的机械零件截面。

在您决定使用哪种长度单位之后,UNITS 命令可使您控制几种单位显示设置,包括:
如果您打算使用英尺和英寸,请使用 UNITS 命令将单位类型设置为“建筑”,然后在创建对象时,可以指定其长度单位为英寸。如果要使用公制单位,请保留将单位类型设置为“小数”。更改单位格式和精度不会影响图形的内部精度。它只会影响长度、角度和坐标在用户界面中如何显示。
始终以实际大小(1:1 的比例)创建模型。术语模型是指设计的几何图形。图形包含模型几何图形以及显示在布局中的视图、注释、尺寸、标注、表格和标题栏。
当创建布局时,您将稍后指定在标准大小的图纸上打印图形的比例。

按 Esc 键取消该预选操作。