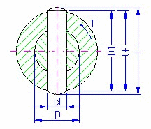
建议值
d = (0.2 -0.3) D
D 1 = (1.5 - 2) D - 对于钢和铸铁
D 1 = 2.5 D - 对于灰口铸铁
销有效长度
销有效长度 l f 是总长度减去倒角和圆角部分的长度之后的长度。有效长度通常承载载荷。
公制单位公式
弯曲应力
杆压力
U 形夹压力
剪切应力
其中:
|
F |
力 [N] |
|
|
σ 0 |
弯曲应力 [MPa] |
|
|
σ 0D |
许用弯曲应力 [MPa] |
|
|
M 0 |
弯矩 [N mm] |
|
|
W 0 |
弯曲截面模量 [mm 3 ] |
|
| τ |
剪切应力 [MPa] |
|
|
τ D |
许用剪切应力 [MPa] |
|
|
d |
销直径 [mm] |
|
|
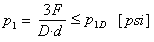
p 1 |
杆压力 [MPa] |
|
|
p 2 |
U 形夹压力 [MPa] |
|
|
p 1D |
杆的许用压力 [MPa] |
|
|
p 2D |
U 形夹的许用压力 [MPa] |
|
|
b |
杆宽度 [mm] |
|
|
a |
U 形夹臂宽 [mm] |
|
|
D |
轴直径 [mm] |
英制单位公式
弯曲应力
杆压力
U 形夹压力
剪切应力
其中:
|
F |
力 [lb] |
|
|
σ 0 |
弯曲应力 [psi] |
|
|
σ 0D |
许用弯曲应力 [psi] |
|
|
M 0 |
弯矩 [ln ft] |
|
|
W 0 |
弯曲截面模量 [in 3 ] |
|
| τ |
剪切应力 [psi] |
|
|
τ D |
许用剪切应力 [psi] |
|
|
d |
销直径 [in] |
|
|
p 1 |
杆压力 [psi] |
|
|
p 2 |
U 形夹压力 [psi] |
|
|
p 1D |
杆的许用压力 [psi] |
|
|
p 2D |
U 形夹的许用压力 [psi] |
|
|
b |
杆宽度 [in] |
|
|
a |
U 形夹臂宽 [in] |
|
|
D |
轴直径 [in] |