销有效长度
销有效长度 l f 是总长度减去倒角和圆角部分的长度之后的长度。有效长度通常承载载荷。
公式
剪切应力校核
接触压力校核
公制单位中的符号的解释:
| τ |
剪切应力 [MPa] |
|
τ A |
许用剪切应力 [MPa] |
|
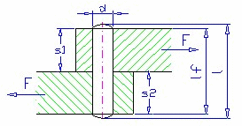
d |
销直径 [mm] |
|
p 1 |
顶板的压力 [MPa] |
|
p 2 |
底板的压力 [MPa] |
|
p 1A |
顶板的许用压力 [MPa] |
|
p 2A |
底板的许用压力 [MPa] |
|
s 1 |
顶板厚度 [mm] |
|
s 2 |
底板厚度 [mm] |
英制单位中的符号的解释:
| τ |
剪切应力 [psi] |
|
τ A |
许用剪切应力 [psi] |
|
d |
销直径 [in] |
|
p 1 |
顶板的压力 [psi] |
|
p 2 |
底板的压力 [psi] |
|
p 1A |
顶板的许用压力 [psi] |
|
p 2A |
底板的许用压力 [psi] |
|
s 1 |
顶板厚度 [in] |
|
s 2 |
底板厚度 [in] |