关于规划

规划是包含模型中特定对象的坐标:

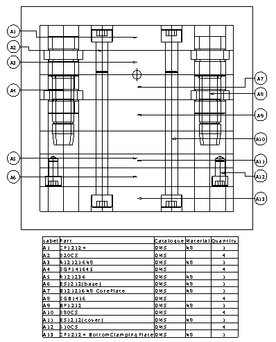
或材料设置清单 (BOM) 的表;包含装配使用的部件/子装配的表:

如果您已安装 Microsoft Excel,则将创建嵌入规划

您可以为以下项创建规划:

您还可以附加规划,以进一步增加条目。