打开自动绘制尺寸标注的可见性

默认情况下,自动绘制尺寸标注是关闭的。如果族中至少存在一个带标签的尺寸标注,自动绘制尺寸才会显示出来。

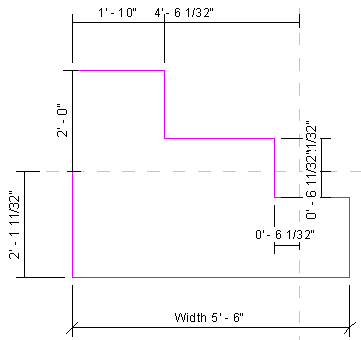
请注意,在下图中,几何图形上添加了一个尺寸标注,但该尺寸标注没有标签。

自动绘制尺寸标注不可见。

打开自动绘制尺寸标注的可见性,请执行以下操作:

  1. 在草图模式中,单击“视图”选项卡“图形”面板(“可见性和外观”),或者键入 VG
  2. 在“可见性/图形替换”对话框的“注释类别”选项卡上,展开“尺寸标注”类别,选择“尺寸标注”,然后选择“自动绘制尺寸标注”。
  3. 单击“OK”。
  4. 放置尺寸标注并为其添加标签。

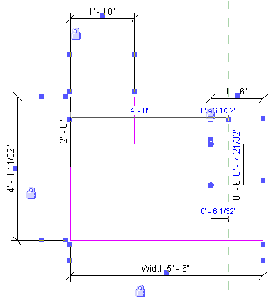
    此时显示自动绘制尺寸标注。

Revit 现在知道此几何图形的各条线相对于参照平面或其他绘制线的位置。

添加锁定的尺寸标注时,它们会替换自动绘制尺寸标注,如图所示。