放置鋼筋續接器

使用續接器將接合或相鄰的鋼筋實體接合在一起。

影片:放置鋼筋續接器

  1. 按一下「結構」頁籤 「鋼筋」面板 (鋼筋續接器)
  2. 按一下如何放置續接器:
    • 「修改 | 插入鋼筋續接器」頁籤 「放置選項」面板 (放置在鋼筋端點)
    • 「修改 | 插入鋼筋續接器」頁籤「放置選項」面板 (放置在兩條鋼筋之間)
  3. 在「性質」選項板頂端的「類型」選取器中,選取所需的鋼筋續接器類型。續接器的大小必須符合鋼筋大小以進行連接。
  4. 在鋼筋上放置續接器。
    • 如欲放置在鋼筋端點上,請選取所需的鋼筋端點。
    • 如欲放置在兩條鋼筋間,請選取兩個有效的鋼筋實體。選取的第二條鋼筋將會為續接器重新定位並縮減 (如有需要)。
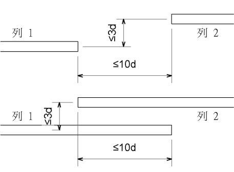
      若為要連接兩個鋼筋實體的續接器,則連接的端點距離不可超過 10 倍的鋼筋直徑。鋼筋之間的偏移不可超過 3 鋼筋直徑。

      續接器放置公差

在弧形鋼筋之間放置鋼筋續接器

若要在兩條弧形鋼筋之間放置鋼筋續接器,兩條鋼筋必須有相同的中心。


提示: 若要連接未對齊的鋼筋,請對其中一條鋼筋加入續接器,然後將端點處理變更為另一條鋼筋,才能針對續接器連接組裝接合。