| Vlastnost | Příklad | Popis |
|---|---|---|
|
Znovu volat bod: Kód sloužící k propojení aktivního polygonu se segmentem z posledního bodu nebo zadaného identifikátoru bodu. |
EP1 RPN EP1 RPN101 |
EP1 je název polygonu a umožňuje pokračování aktivního polygonu, pokud se název shoduje. RPN je kód Znovu volat bod a pokud neexistuje žádný bod, umožní propojení z předchozího bodu do aktuálního bodu a vloží před aktuální bod segment. Kód EP1 RPN101 umožní propojení z aktuálního bodu do vyznačeného bodu. |
|
Připojit bod: Kód sloužící k vytvoření nového polygonu (patřícího ke stejnému polygonu) s jedním přímkovým segmentem vedoucím od aktuálního bodu do zadaného identifikátoru bodu. Za kódem Připojit bod následuje zadaný identifikátor bodu. |
EP1 B CPN101 |
V tomto příkladu je v aktuálním bodu vytvořen nový polygon a rovněž je k bodu 101 s názvem EP1.CPN101 vykreslen další nový polygon s jedním přímkovým segmentem. Název polygonu lze změnit pomocí příkazu Vlastnosti polygonu. |
|
Kód Připojit bod vždy vytvoří polygon složený z jediného segmentu úsečky. Následující obrázek znázorňuje příklad použití kódu Připojit bod: ![]() |
||
|
Obdélník: Kód sloužící k odsazení segmentu vstupujícího do aktuálního bodu dle zadané hodnoty. |
BLD1 <Obdélník>40 |
Kladné číslo značí odsazení vpravo a záporné číslo značí odsazení vlevo, relativně ke směru přímkového segmentu vstupujícího do aktuálního bodu. Pokud za kódem Obdélník nenásleduje žádné číslo, tento kód uzavře polygon vytvořením průsečíku dvou kolmých úseček mezi předchozím segmentem, který vstupuje do aktuálního bodu, a prvním segmentem polygonu. Poznámka:
Kód Obdélník bez čísla vyžaduje alespoň tři body, které byly předtím umístěny na aktuálním polygonu. |
|
Následující obrázek znázorňuje kód Obdélník se zadanou hodnotou 40: ![]() |
||
|
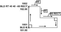
Otočit doprava: Kód používaný s kódem přímkového segmentu, který umožňuje vložení dalších vrcholů kolmo k polygonu nebo prodloužení (přímá odsazení). |
BLD1 RT X10.1 5 -12.2 -5 -12.2 |
Umožní pokračování aktivního polygonu BLD1 k aktuálnímu bodu, prodlouží aktuální segment o 10.1 jednotek a pak nakreslí kolmé segmenty pro jednotlivé hodnoty. Za kódem <Otočit doprava> následují hodnoty odsazení nebo kódy <Prodloužit> či <Obdélník>. Kladná čísla značí otočení doprava, záporná čísla otočení doleva. Poznámka:
Pomocí kódu <Prodloužit><Hodnota> lze provést přímé prodloužení dopředu (zadáním kladné hodnoty) nebo dozadu (zadáním záporné hodnoty). Poznámka:
Kód <Obdélník> umožňuje dokončit kód <Otočit doprava> a provést uzavření zpět k počátečnímu segmentu pomocí průsečíků dvou kolmých úseček od aktuálního přímkového segmentu polygonu. |
|
Následující obrázek znázorňuje příklady kódů Otočit doprava a Obdélník: ![]() |
||
|
Prodloužit: Kód sloužící k prodloužení přímkového segmentu dopředu přes aktuální bod (při zadání kladné hodnoty) nebo ke zkrácení přímkového segmentu o aktuální bod (při zadání záporné hodnoty). |
BLD1 X15.5 |
BLD1 umožňuje pokračování aktuálního polygonu, X je kód Prodloužit a 15.5 je hodnota, o kterou bude přímkový segment polygonu prodloužen přes aktuální bod. |
|
Následující obrázky znázorňují příklady kódů Prodloužit, Otočit doprava a Obdélník: ![]() |
||