 
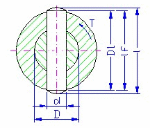
Empfohlene Werte
d = (0.2 - 0.3) D
D 1 = (1.5 - 2) D - für Stahl und Gussstahl
D 1 = 2.5 D - für graues Gusseisen
Aktive Stiftlänge
Die aktive Stiftlänge l f ist eine um Fasen und Rundungen reduzierten Länge. Die aktive Länge überträgt in der Regel die Belastung.
Formeln in metrischen Einheiten
Biegespannung
 
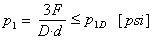
Druck im Stab
 
Druck im Zapfen
 
Scherspannung
 
 
Dabei gilt:
| F | Kraft [N] | |
| σ 0 | Biegespannung [MPa] | |
| σ 0D | Zulässige Biegespannung [MPa] | |
| M 0 | Biegemoment [N mm] | |
| W 0 | Widerstandsmoment der Biegung [mm 3 ] | |
| τ | Scherspannung [MPa] | |
| τ D | Zulässige Scherspannung [MPa] | |
| d | Stiftdurchmesser [mm] | |
| p 1 | Druck im Stab [MPa] | |
| p 2 | Druck im Zapfen [MPa] | |
| p 1D | Zulässiger Druck im Stab [MPa] | |
| p 2D | Zulässiger Druck im Zapfen [MPa] | |
| b | Stabbreite [mm] | |
| a | Zapfenarmbreite [mm] | |
| D | Wellendurchmesser [mm] | 
Formeln in englischen Einheiten
Biegespannung
 
Druck im Stab
 
Druck im Zapfen
 
Scherspannung
 
 
Dabei gilt:
| F | Kraft [lb] | |
| σ 0 | Biegespannung [psi] | |
| σ 0D | Zulässige Biegespannung [psi] | |
| M 0 | Biegemoment [ln ft] | |
| W 0 | Widerstandsmoment der Biegung [in 3 ] | |
| τ | Scherspannung [psi] | |
| τ D | Zulässige Scherspannung [psi] | |
| d | Stiftdurchmesser [in] | |
| p 1 | Druck im Stab [psi] | |
| p 2 | Druck im Zapfen [psi] | |
| p 1D | Zulässiger Druck im Stab [psi] | |
| p 2D | Zulässiger Druck im Zapfen [psi] | |
| b | Stabbreite [in] | |
| a | Zapfenarmbreite [in] | |
| D | Wellendurchmesser [in] |