 
Aktive Stiftlänge
Die aktive Stiftlänge l f ist eine um Fasen und Rundungen reduzierten Länge. Die aktive Länge überträgt in der Regel die Belastung.
Formeln
Kontrolle der Scherspannung
 
Kontrolle des Kontaktdrucks
 
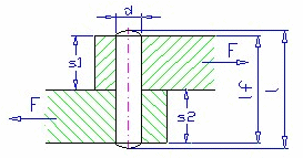
Bedeutung der Symbole für metrische Einheiten:
| τ | Scherspannung [MPa] | 
| τ A | Zulässige Scherspannung [MPa] | 
| d | Stiftdurchmesser [mm] | 
| p 1 | Druck in der oberen Platte [MPa] | 
| p 2 | Druck in der unteren Platte [MPa] | 
| p 1A | Zulässiger Druck in der oberen Platte [MPa] | 
| p 2A | Zulässiger Druck in der unteren Platte [MPa] | 
| s 1 | Dicke der oberen Platte [mm] | 
| s 2 | Dicke der unteren Platte [mm] | 
Bedeutung der Symbole für englische Einheiten:
| τ | Scherspannung [psi] | 
| τ A | Zulässige Scherspannung [psi] | 
| d | Stiftdurchmesser [in] | 
| p 1 | Druck in der oberen Platte [psi] | 
| p 2 | Druck in der unteren Platte [psi] | 
| p 1A | Zulässiger Druck in der oberen Platte [psi] | 
| p 2A | Zulässiger Druck in der unteren Platte [psi] | 
| s 1 | Dicke der oberen Platte [in] | 
| s 2 | Dicke der unteren Platte [in] |