Eine Bauteilliste kann eine Tabelle sein, die die Koordinaten bestimmter Objekte in einem Modell enthält:

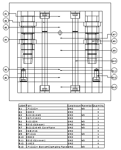
Oder eine Stückliste, also eine Tabelle mit Komponenten/Unterbaugruppen, die von einer Baugruppe verwendet werden:

Wenn Microsoft Excel installiert ist, werden eingebettete Ablaufpläne erstellt.
Sie können Ablaufpläne für Folgendes erstellen:
Sie können auch Ablaufpläne anhängen, um weitere Einträge hinzuzufügen.