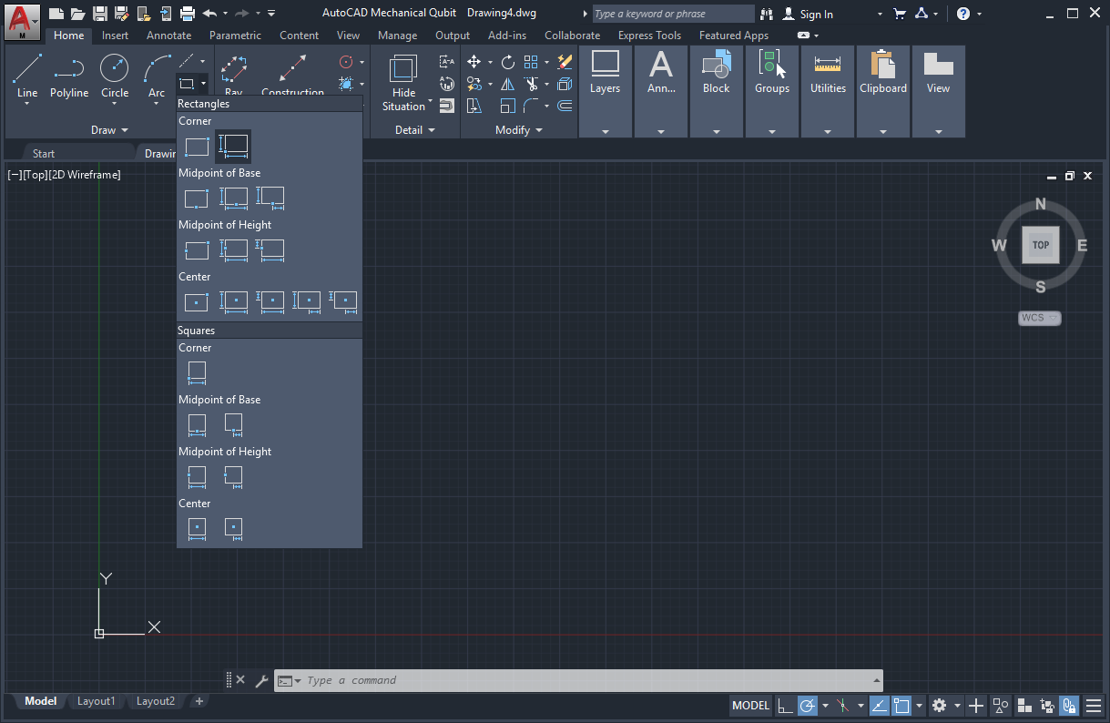
The rectangle creation commands that were accessed through the Rectangles dialog box are now accessible directly from the ribbon.

These commands now display a preview, making it easier to place the rectangles in the drawing area. The commands have also been enhanced to support dimension input, making it easier to precisely specify the base and height.