Exercise B4: Modifying a Part Using REM Commands

In this exercise you learn how to use REM commands to modify a raster image.

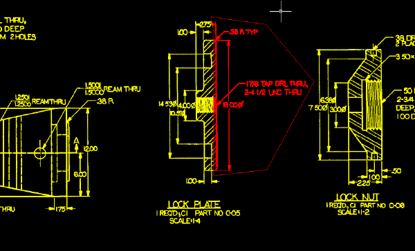
You will modify a lock plate that is part of a drill jig, increasing the back plane thickness of the lock plate, then updating the dimension text to reflect the change in thickness.

Related Exercises

Before doing this exercise, you should ensure that AutoCAD Raster Design toolset options are set as described in the exercise Exercise A1: Setting AutoCAD Raster Design Toolset Options.

Exercise

  1. In the \Tutorial3 folder, open the drawing file REM_05.dwg.
  2. Click View menu Named Views. Set the current view to TU_lock_plate.

    Separate the lock plate into two pieces

  3. Open the REM toolbars, if necessary.
  4. Click Polygonal Region on the Raster Entity Manipulation Toolbar.
  5. Draw a polygon with a vertical line that bisects the thinnest area of the lock plate and includes the dimension text to the right of the part. Press Enter.
  6. Enter m and move the REM object exactly 0.25 inches to the right. To do this, use the Displacement option and specify the displacement as 0.25,0,0.

    This action creates a gap in the raster image. You must merge the region object into the image before you can make other changes to the part.

  7. Select the region object, right-click, and click Merge to Raster Image from the shortcut menu.

    Close the top horizontal line

  8. Click View menu Named Views. Set the current view to TU_2.75.
  9. Click Line on the Raster Entity Manipulation Toolbar and select the horizontal line at the top of the lock plate.

    The line becomes a primitive object.

  10. Select the primitive object, select its right grip, and stretch the line to close the 0.25 inch gap.
  11. Select the primitive object, right-click, and click Merge to Raster Image.

    Close the bottom horizontal line

  12. Click View menu Named Views. Set the current view to TU_bottom.
  13. Click Line on the Raster Entity Manipulation Toolbar and select the horizontal line at the bottom of the lock plate.

    The line becomes a primitive object.

  14. Select the primitive object, select its right grip, and stretch the line to close the 0.25 inch gap.
  15. Select the primitive object, right-click, and click Merge to Raster Image.

    Close the thread lines

  16. Click View menu Named Views. Set the current view to TU_thread.
  17. Click Rectangular on the Raster Entity Manipulation Toolbar.
  18. Draw a narrow rectangle around some of the thread lines.

    You can then copy this object to close the gap in the thread lines.

  19. Use COPY to copy the region object.
  20. Place the copy of the region object so that it closes the gap in the thread lines.
  21. Select the copy of the region object, right-click, and click Merge to Raster Image.
  22. Right-click and click REMClear All from the shortcut menu.

    Replace the dimension text

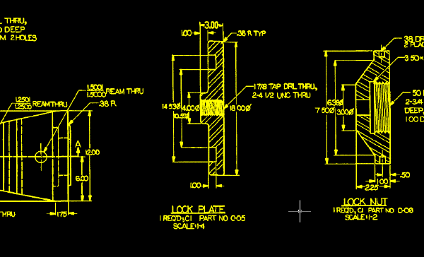
    You will now change the dimension text from 2.75 to 3.00 to indicate the new thickness of the lock plate.

  23. Click View menu Named Views. Set the current view to TU_2.75.
  24. Use the Layer Properties Manager to set TU_image_new as the current layer.
  25. Click Raster menu Vectorization ToolsText. Then select a point at the base of the numeral 2 on the left.

    The crosshairs identify where to select a point for placing new dimension text.

  26. In the VText Edit dialog box, enter 3.00 and click OK.

    AutoCAD Raster Design toolset places the new dimension text at the point you selected. On the command line, note that you are presented with a Smart Window option for removing the raster text. You will next use this method to remove the raster text 2.75.

  27. Draw a window around the old dimension text. It does not matter if part of the arrowheads are included within the window; they are excluded by the smart selection method. Note that the text about to be removed is highlighted. Press Enter to remove the selected text, then press Enter again to end the command.
  28. Select the vector text, then right-click, click Properties, and change the Width Factor of the text to 0.8.
  29. Center the dimension text between the leader arrows if necessary.
  30. To open the Raster Pen Settings dialog box, click ImageMergeConfigure Raster Pens.
  31. Select Yellow, change the units to AutoCAD, and click Pick.
  32. Select two points representing the width across the vertical dimension line.

    The following example shows where to select the two points that determine the raster pen width for the new dimension text. When you create raster text from the vector dimension text, the thickness of the text should be comparable to the line work in the image.

  33. Verify that Pen Width is set to approximately 0.10 and click OK.
  34. Select the vector text, then right-click and click Merge Vector To Raster Image.
  35. Enter y (Yes) to delete the vector text after the merge.

    The following example shows how the image should appear after you replace the old dimension text with new raster text created from vector dimension text.

    Review the Changes to the Lock Plate

  36. Click View menu Named Views. Set the current view to TU_lock_plate.
  37. Review the changes to the part and its dimensions.

    This example shows how the lock plate and its dimension text should appear after you update them.

  38. Close the drawing without saving changes.