A Schedule is either a table containing the coordinates of specific objects in a model:

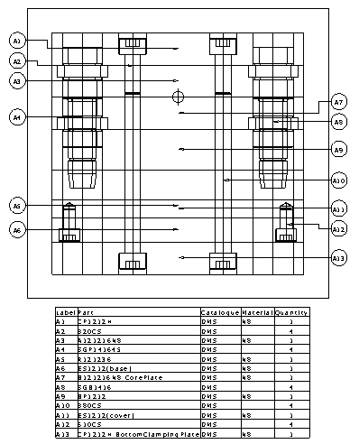
or a Bill of Materials (BOM); a table of components/sub-assemblies used by an assembly:

If you have Microsoft Excel installed, embedded schedules are created.
You can create schedules for:
You can also append schedules to add further entries.