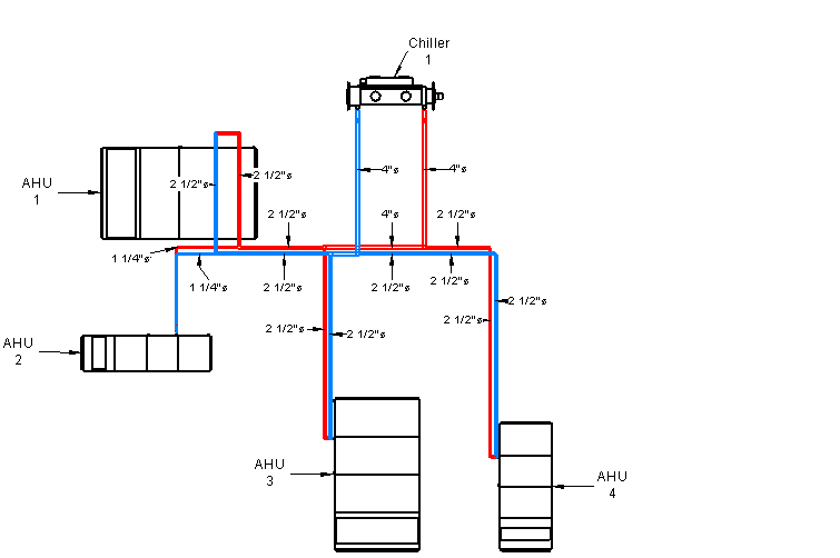
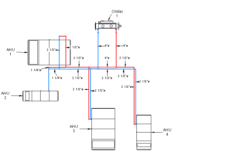
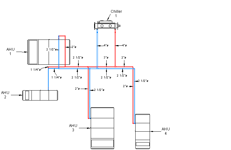
Hydronic System Sizing Examples

The following images show the results of the various hydronic pipe sizing methods.

Friction Only

Before Sizing

After Sizing

Velocity Only

Before Sizing

After Sizing

Friction and Velocity

Before Sizing

After Sizing

Larger of Connector or Calculation

Before Sizing

After Sizing

Match Connector to Pipe Size

Before Sizing

After Sizing