Acerca del formato de referencia cruzada de tabla

Cuando utiliza el estilo de formato de referencia cruzada de tabla, la imagen de vista preliminar cambia para mostrar el aspecto de la referencia cruzada en el dibujo.

Formato de tipo de gráfico:

Muestra el formato de referencia cruzada mediante un tipo de letra gráfico de estilo JIC o IEC. El parámetro se aplicará a la fuente de gráfico independientemente del modo de etiquetado asignado en las propiedades del proyecto.

Los ejemplos siguientes muestran las referencias cruzadas de tabla mediante el formato de tipo de gráfico del estilo de la tabla. El valor de Llenar referencia con es "RS" para secundarios (contactos) sin utilizar.

JIC

IEC

Formato de asignación de contactos:

Muestra el formato de referencia cruzada mediante valores de tipo de referencia cruzada (NA, NC, NANC).

JIC

IEC

Formato de asignación de símbolos:

Muestra el formato de referencia cruzada mediante un archivo de bloque de AutoCAD (.dwg) para representar el tipo de contacto. La tabla _XREF_GRAPHICS de la base de datos de búsqueda en el catálogo define la asignación de símbolos. Los símbolos asignados se buscan en las carpetas de biblioteca del esquema del proyecto activo para su inserción.

JIC

IEC

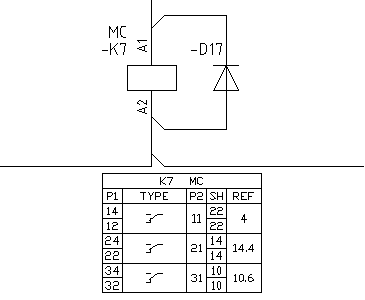
Tablas y contactos conmutados

Un tipo de contacto típico es el conmutado. Está formado por contactos, uno abierto y otro cerrado, que comparten un número de polo de borna. Es posible elegir entre insertar ambos contactos conmutados como dos símbolos individuales o juntos como un único símbolo.

Ejemplo: dos símbolos forman el contacto conmutado

El polo común se encuentra en la parte derecha junto a la columna de referencia y aparece en la columna P2 de la tabla.

JIC

IEC

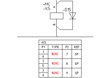
Nota: Si se utiliza el método de asignación de símbolos, aunque se inserten dos contactos independientes el contacto conmutado se representa mediante un único símbolo.

Ejemplo: un único símbolo forma el contacto conmutado

El polo común se encuentra en la parte derecha junto a la columna de referencia y aparece en la columna P2 de la tabla.

JIC

IEC

Parámetros·reemplazables en Título de tabla

Las referencias cruzadas de estilo de tabla proporcionan soporte a los parámetros reemplazables que se van a definir y mostrar en el título de la tabla. Algunos comandos de conjunto de herramientas AutoCAD Electrical lo tienen en cuenta cuando se realizan modificaciones en el dibujo.

Suprimir componente

Si se suprime un componente con una tabla de referencia cruzada, la tabla también se eliminará del dibujo.

Volver a etiquetar componente

Al volver a etiquetar un componente (volver a etiquetar, desplazar componente, desplazar circuito, editar componente), la tabla de referencias cruzadas se actualizará si la etiqueta forma parte del título.

Editar componente

Si se modifica un parámetro reemplazable de un componente que contiene una tabla de referencias cruzadas, el título de la tabla se actualiza para reflejar los cambios.

Copiar asignación de catálogo

Cuando se copia una referencia de catálogo diferente en un símbolo principal, es posible que se actualicen los valores de PINLIST y el número de contactos , y la tabla de referencias cruzadas se actualiza en tiempo real.

Modo de etiquetado de instalación/posición combinada

Si los valores de instalación o de posición de todo el dibujo cambian, el título de la tabla de referencias cruzadas se actualiza para reflejar los cambios.

Copiar circuito

Si se copia un circuito con una tabla de referencias cruzadas, el título de la tabla se actualiza con los valores de etiqueta nuevos.

Insertar componente

Si se está insertando un componente principal con una tabla de referencias cruzadas, la tabla se insertará en las posiciones del atributo de referencia cruzada (XREF y XREFNO). Si se inserta un componente secundario, la tabla de referencias cruzadas se actualiza según el componente principal.

Desplazamiento rápido

Si se desplaza rápidamente un componente principal con una tabla de referencias cruzadas, la tabla también se desplaza rápidamente a lo largo del cable.

Nota: Si cambia el número de catálogo de componentes o si añade una referencia de catálogo de lista de materiales múltiple al componente (ambos cambian los datos de la lista de polos), la tabla de referencias cruzadas se actualiza al cerrar el cuadro de diálogo Insertar/editar componente. Además, si modifica manualmente la lista de polos en el componente principal, la tabla de referencias cruzadas se actualiza con los números de polos nuevos y el número de contactos modificado al salir del cuadro de diálogo Insertar/editar componente.

Entre los comandos que no admiten actualizaciones de referencias cruzadas en tiempo real se incluyen: