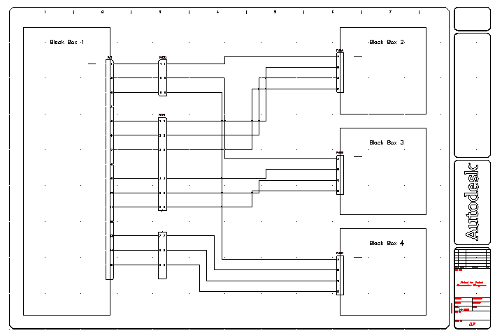
Agrupación de cables

Inserte un conector entre cables existentes.

Ahora que ya se han unido los conectores mediante cables, se deben insertar conectores en la línea para agrupar los cables.

Inserción de conectores en la línea

  1. Haga clic en la ficha Esquemagrupo Insertar componenteselemento desplegable Insertar conectorInsertar conector. Buscar
  2. En el cuadro de diálogo Insertar conector, especifique los elementos siguientes:

    Espaciado de polos:  1.0

    Número de polos:  3

    En intersección de los cables

    Lista de polos:  1

    Insertar todo

  3. Haga clic en Detalles.
  4. En la sección Tipo, desactive el cuadro Añadir línea de división.
  5. En la sección Mostrar, establezca la opción Clavija en Derecha y la opción Polos en Ambos lados.
  6. En la sección Tamaño, establezca la Clavija en 0.325.
  7. Haga clic en Insertar.
  8. Responda a las solicitudes de la siguiente manera:

    Especifique el punto de inserción o [Z=zoom, E=encuadre, X=intersección de cables, V=horizontal/vertical, TAB=cambiar]:

    Seleccione para establecer la posición del conector en los cables conectados a PJ1, Polos 1 a 3

  9. Haga clic en la ficha Esquemagrupo Insertar componenteselemento desplegable Insertar conectorInsertar conector. Buscar
  10. En el cuadro de diálogo Insertar conector, especifique los elementos siguientes:

    Espaciado de polos:  1.0

    Número de polos:  9

    En intersección de los cables

    Lista de polos:  1

    Permitir espaciadores/cortes

  11. Haga clic en Insertar.
  12. Responda a las solicitudes de la siguiente manera:

    Especifique el punto de inserción o [Z=zoom, E=encuadre, X=intersección de cables, V=horizontal/vertical, TAB=cambiar]: 

    Seleccione para establecer la posición del conector que empieza en la línea en PJ1, Polo 5

    Observe como se expande el conector al cruzar los cables.

  13. En el cuadro de diálogo Cortes/espacios de polos personalizados, haga clic en Insertar siguiente conexión.

    El cuadro de diálogo muestra los polos de conector insertados hasta el momento. Siga haciendo clic en Insertar siguiente conexión hasta colocar seis de las nueve conexiones.

  14. Cuando el cuadro de diálogo Cortes/espacios de polos personalizados indique "Insertados hasta ahora: 6 de 9", haga clic en Partir símbolo ahora.
  15. Responda a las solicitudes de la siguiente manera:

    Especifique el punto de inserción o [Z=zoom, E=encuadre, X=intersección de cables, V=horizontal/vertical, TAB=cambiar]:

    Seleccione para establecer la posición del conector que empieza en la línea en PJ1, Polo 13

  16. En el cuadro de diálogo Diseño del conector, seleccione Insertar todo.
  17. Haga clic en Aceptar.
    Nota: Otro método es insertar el conector completo y, a continuación, utilizar la herramienta Dividir conector para partir el conector existente.
  18. Haga clic en la ficha Esquemagrupo Insertar componenteselemento desplegable Línea de enlace de trazosEnlazar componentes con línea de trazos. Buscar
  19. Responda a las solicitudes de la siguiente manera:

    Componente desde el que enlazar:  Seleccione la parte inferior de PJ6 (1)

    componente desde el que enlazar:  Seleccione la parte superior de PJ6 (2) y haga clic con el botón derecho