Adición de descripciones de conector

Añada valores de descripción a los lados de clavija y base de un conector.

conjunto de herramientas AutoCAD Electrical admite dos líneas de texto de descripción en cada conector: una para la clavija y una para el lado de base del conector.

Adición de descripciones

  1. Haga clic con el botón derecho del ratón en el conector PJ1 y seleccione Editar componente.
  2. En el cuadro de diálogo Insertar/editar componente, en la sección Polos, haga clic en Lista.
  3. En la sección de rejilla de polo de conector del cuadro de diálogo Números de polos de conector en uso, haga clic en la columna Descripción del Polo 1.
  4. En la sección Descripciones de polo, introduzca CORRIENTE B2 para la Base.
  5. En la rejilla de polo del conector, haga clic en la columna Descripción del Polo 2.
  6. En la sección Descripciones de polo, introduzca CORRIENTE B3 para la Base.
  7. En la rejilla de polo del conector, haga clic en la columna Descripción del Polo 3.
  8. En la sección Descripciones de polo, introduzca CORRIENTE B4 para la Base.
  9. Haga clic en Aceptar.
  10. En el cuadro de dialogo Insertar/editar componente, haga clic en Aceptar.
  11. Repita los pasos para añadir la descripción ENTRADA CORRIENTE para los Polos A de las Cajas negras 2, 3 y 4.

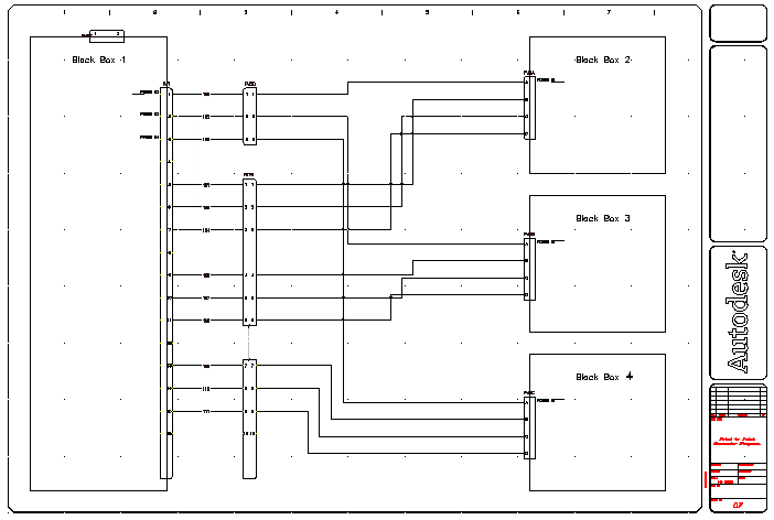
    El diagrama de punto a punto completado debe tener un aspecto similar a la siguiente imagen.