Después de abrir la herramienta Generar diseño, la ficha Generar diseño y la barra de opciones ofrecen las siguientes herramientas que permiten crear un diseño para su sistema.
Puede combinar líneas de diseño seleccionando primero la línea de diseño que desea combinar y, a continuación, arrastrando el control de Codo/Extremo hasta que este se ajuste en una línea de diseño adyacente. La línea de diseño que se ha modificado se elimina automáticamente y las líneas de diseño adicionales se añaden para representar una conexión física con el componente asociado con la línea de diseño modificado. Todos los componentes que están asociados con las líneas de diseño modificadas mantienen su ubicación original. La combinación de líneas de diseño le permite redefinir su diseño para que se corresponda con el propósito del mismo.
Cuando se usa Modificar, se recuerda una solución personalizada del diseño (modificado) actual. Si utiliza posteriormente Modificar para seleccionar otra solución, se muestra un mensaje que pregunta si se desea sobrescribir la anterior.
Para modificar un diseño, haga clic en
(Modificar) y seleccione la línea de diseño que desea reubicar o combinar. Puede utilizar los siguientes controles:
Control de movimiento paralelo: le permite desplazar toda una línea de diseño a lo largo de un eje perpendicular a la línea de diseño. Las líneas adicionales se añaden automáticamente cuando sea necesario para mantener las conexiones en el sistema. Tenga en cuenta que no puede utilizar este control para solapar los segmentos de diseño. Debe utilizar el control de Codo/Extremo.
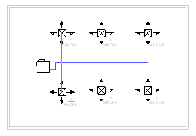
Controles de conexión:
representa una T.
representa una cruz. Estos controles de conexión permiten desplazar una te o en cruz entre el segmento principal y el segmento de ramificación, a la izquierda, a la derecha, arriba o abajo. El movimiento está limitado al extremo asociado con el símbolo de Control de conexión (véase la nota anterior).
Control de Codo/Extremo: le permite desplazar la intersección entre dos líneas de diseño o el final de una línea de diseño. Este control también le permite combinar líneas de diseño. Las líneas de diseño adicionales se añaden automáticamente cuando sea necesario para mantener las conexiones en el sistema.
Control de alzado: indica el alzado actual de la línea. Haga clic en el control de alzado y especifique un valor para ajustar el alzado.
Red: esta solución crea un cuadro de delimitación alrededor de los componentes seleccionados para el sistema de conductos y, a continuación, basa hasta seis soluciones en un segmento principal a lo largo del eje del cuadro de delimitación, con ramificaciones en ángulos de 90 grados desde el segmento principal.

Perímetro: esta solución crea un cuadro de delimitación alrededor de los componentes seleccionados para el sistema y propone cinco posibles soluciones de enrutamiento. Cuatro soluciones se basan en tres de los cuatro lados del cuadro de delimitación. La quinta solución se basa en los cuatro lados.

Puede especificar el valor de Incrustación que determina el desfase entre el cuadro de delimitación y los componentes.
Intersecciones: esta solución basa el posible enrutamiento en un par de líneas imaginarias que se extienden desde cada conector de los componentes del sistema. Las líneas perpendiculares se extienden desde los conectores. Las posibles uniones de la solución propuesta se ubican en la zona donde las líneas de los componentes se intersecan. Se pueden proponer hasta ocho soluciones junto con las rutas más cortas.
Utilice los botones de flecha (![]()
) para recorrer las soluciones de enrutamiento propuestas.
Configuración: abre el cuadro de diálogo Configuración de conversión de conducto en el que puede especificar las características de la tubería principal y rama.
Incrustación: permite especificar la distancia entre el cuadro de delimitación y los componentes del sistema. Puede especificar un valor positivo o negativo para colocar el perímetro dentro o fuera del cuadro delimitador, respectivamente.
Tenga en cuenta que esta opción solo está disponible después de seleccionar el tipo de solución de Perímetro.
Tenga en cuenta que esta opción es diferente de Deshacer (CTRL+Z), ya que Añadir le permite volver a introducir elementos independientemente de un orden secuencial.
Para utilizar el control de base, colóquelo donde se ubicará la conexión de conducto abierta del diseño. También puede colocar un control de base para conectar los subdiseños. Si la base se encuentra en la misma elevación que las conexiones abiertas, un conducto o tubería horizontal se conectará con las conexiones de subdiseños. Si el control de base se sitúa en una elevación diferente de las conexiones abiertas, se creará una contrahuella de tubería o conducto para conectar los diseños.
Girar alrededor de la dirección de conexión: gira el control de base alrededor del eje de la dirección de conexión de control de base (la dirección de conexión se indica mediante una flecha en la vista 3D).
Girar en perpendicular a la dirección de conexión: gira el control de base alrededor y en perpendicular al eje de la dirección de conexión del control de base (el eje de dirección de conexión se indica mediante una flecha en la vista 3D).
Mover base: permite cambiar la ubicación del control de base.