Insérez un connecteur sur les fils existants.
Maintenant que vous avez connecté les fils entre eux, vous allez insérer les connecteurs dans la lignée du fil pour regrouper les fils.
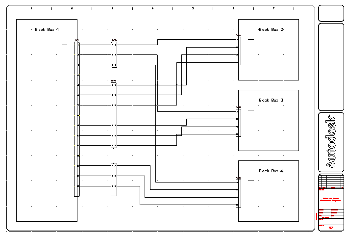
Insertion des connecteurs dans la lignée du fil


. Trouver
Espacement des broches : 1.0
Nombre de broches : 3
A l'intersection des fils
Liste des broches : 1
Insérer tout

Spécifiez le point d'insertion ou [Z=zoom, P=panoramique, X=intersection des fils, V=horizontal/vertical, TAB=basculer] :
Placez le connecteur sur les fils connectés à PJ1, Broches 1 à 3



. Trouver
Espacement des broches : 1.0
Nombre de broches : 9
A l'intersection des fils
Liste des broches : 1
Autoriser les espacements/coupures
Spécifiez le point d'insertion ou [Z=zoom, P=panoramique, X=intersection des fils, V=horizontal/vertical, TAB=basculer] :
Placez le connecteur en commençant par la ligne à PJ1, Broche 5
Notez comme le connecteur se développe lorsque vous coupez les fils.
La boîte de dialogue affiche la broche de connecteur qui a été insérée jusqu'ici. Continuez à cliquer sur Insérer la connexion suivante jusqu'à ce que six connexions sur les neuf aient été placées.

Spécifiez le point d'insertion ou [Z=zoom, P=panoramique, X=intersection des fils, V=horizontal/vertical, TAB=basculer] :
Placez le connecteur en commençant par la ligne à PJ1, Broche 13




. Trouver
Composant à partir duquel le lien doit être établi : Sélectionnez la partie inférieure du PJ6 (1).
Composant avec lequel le lien doit être établi : Sélectionner la partie supérieure du PJ6 (2), puis cliquez dessus avec le bouton droit de la souris.
