Exercice B4 : modification d'une pièce à l'aide des commandes REM

Dans cet exercice, vous allez apprendre à utiliser les commandes REM pour modifier une image raster.

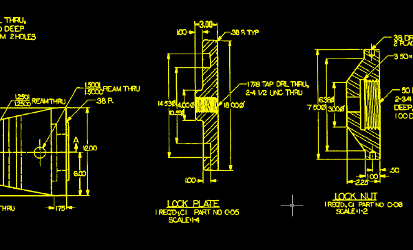
Vous allez modifier une plaquette de frein qui fait partie d'un dispositif de perçage, de façon à augmenter l'épaisseur de la partie arrière de la plaquette, puis mettre à jour le texte de cote en fonction du changement d'épaisseur.

Exercices connexes

Avant de réaliser cet exercice, assurez-vous que les options du AutoCAD Raster Design toolset sont définies comme indiqué dans l'exercice Exercice A1 : définition des options du AutoCAD Raster Design Toolset.

Exercice

  1. Dans le dossier \Tutorial3, ouvrez le fichier dessin REM_05.dwg.
  2. Cliquez sur le menu Affichage Vues existantes. Définissez la vue courante sur TU_lock_plate.

    Division de la plaquette de frein en deux parties

  3. Ouvrez les barres d'outils REM si nécessaire.
  4. Cliquez sur Région polygonale dans la barre d'outils REM.
  5. Dessinez un polygone en traçant une ligne verticale qui divise (en deux parties égales) la zone la plus fine de la plaquette de frein, puis insérez le texte de cote à droite de la pièce. Appuyez ensuite sur la touche ENTREE.
  6. Tapez d, puis déplacez l'objet REM de 0.25 pouces sur la droite précisément. Utilisez pour cela l'option de déplacement paramétrée sur 0.25,0,0.

    Cette action crée un espace vide dans l'image raster. Vous devez fusionner l'objet région avec l'image avant d'apporter d'autres modifications à la pièce.

  7. Sélectionnez l'objet région, cliquez avec le bouton droit de la souris, puis choisissez Fusionner avec l'image raster dans le menu contextuel.

    Fermeture de la ligne horizontale supérieure

  8. Cliquez sur le menu Affichage Vues existantes. Définissez la vue courante sur TU_2.75.
  9. Cliquez sur Ligne dans la barre d'outils REM, puis sélectionnez la ligne horizontale située en haut de la plaquette de frein.

    La ligne devient un objet primitif.

  10. Sélectionnez l'objet primitif et la poignée correspondante, puis étirez la ligne pour fermer l'espace vide de 0.25 pouce.
  11. Sélectionnez l'objet primitif, puis cliquez avec le bouton droit de la souris et choisissez Fusionner avec l'image raster.

    Fermeture de la ligne horizontale inférieure

  12. Cliquez sur le menu Affichage Vues existantes. Définissez la vue courante sur TU_bottom.
  13. Cliquez sur Ligne dans la barre d'outils REM, puis sélectionnez la ligne horizontale située au bas de la plaquette de frein.

    La ligne devient un objet primitif.

  14. Sélectionnez l'objet primitif et la poignée correspondante, puis étirez la ligne pour fermer l'espace vide de 0.25 pouce.
  15. Sélectionnez l'objet primitif, puis cliquez avec le bouton droit de la souris et choisissez Fusionner avec l'image raster.

    Fermeture des lignes de taraudage

  16. Cliquez sur le menu Affichage Vues existantes. Définissez la vue courante sur TU_thread.
  17. Cliquez sur Rectangulaire sur la barre d'outils REM.
  18. Dessinez un rectangle étroit autour de quelques lignes de taraudage.

    Vous pouvez ensuite copier l'objet pour combler l'espace vide entre ces lignes.

  19. Utilisez la commande COPIER pour copier l'objet région.
  20. Placez la copie de l'objet région de sorte qu'il comble l'espace vide entre les lignes de taraudage.
  21. Sélectionnez la copie de l'objet région, cliquez avec le bouton droit de la souris et choisissez Fusionner avec l'image raster.
  22. Cliquez avec le bouton droit de la souris, puis choisissez REMTout effacer dans le menu contextuel.

    Remplacement du texte de cote

    Vous allez maintenant modifier le texte de cote en remplaçant 2.75 par 3 pour indiquer la nouvelle épaisseur de la plaquette de frein.

  23. Cliquez sur le menu Affichage Vues existantes. Définissez la vue courante sur TU_2.75.
  24. A l'aide du gestionnaire des propriétés du calque, définissez TU_image_new comme calque en cours.
  25. Cliquez sur le menu Raster Outils de vectorisationTexte. Sélectionnez ensuite un point à la base du chiffre 2, sur la gauche.

    Le réticule indique où sélectionner un point pour placer un nouveau texte de cote.

  26. Dans la boîte de dialogue Modifier VTexte, entrez le texte 3.00 et cliquez sur OK.

    Le AutoCAD Raster Design toolset place le nouveau texte de cote au point sélectionné. Sur la ligne de commande, une option de fenêtre étendue vous permet de supprimer le texte raster. Vous l'utiliserez pour effacer le texte raster 2.75.

  27. Dessinez une fenêtre autour de l'ancien texte de cote. Les éventuelles pointes de flèche incluses dans la fenêtre sont exclues de la sélection étendue. Notez que le texte à supprimer est mis en surbrillance. Appuyez sur la touche ENTREE pour supprimer le texte sélectionné, puis à nouveau sur la touche ENTREE pour terminer l'opération.
  28. Sélectionnez le texte du vecteur, cliquez avec le bouton droit de la souris, choisissez Propriétés et affectez à la largeur du texte la valeur 0.8.
  29. Au besoin, centrez le texte de cote entre les flèches de repère.
  30. Pour ouvrir la boîte de dialogue Paramètres de plume raster, Cliquez sur le menu ImageFusionnerConfigurer les plumes raster.
  31. Sélectionnez Jaune, modifiez les unités AutoCAD, puis cliquez sur Choisir.
  32. Sélectionnez deux points représentant la largeur de la ligne de cote verticale.

    L'exemple suivant montre où sélectionner les deux points qui déterminent l'épaisseur de la plume raster pour le nouveau texte de cote. Lorsque vous créez un texte raster à partir du texte de cote du vecteur, la largeur du texte doit être adaptée aux lignes d'étude de l'image.

  33. Vérifiez que l'épaisseur de plume est d'environ 0.1, puis cliquez sur OK.
  34. Sélectionnez le texte du vecteur, puis cliquez avec le bouton droit de la souris et choisissez Fusionner des vecteurs dans une image raster.
  35. Entrez o (Oui) pour supprimer le texte du vecteur après la fusion.

    L'exemple suivant montre comment l'image doit apparaître une fois que vous avez remplacé l'ancien texte de cote par le nouveau texte raster créé à partir du texte de cote du vecteur.

    Vérification des modifications apportées à la plaquette de frein

  36. Cliquez sur le menu Affichage Vues existantes. Définissez la vue courante sur TU_lock_plate.
  37. Vérifiez les modifications apportées à la pièce et à ses cotes.

    Cet exemple montre comment la plaquette de frein et son texte de cote doivent apparaître une fois que vous les avez mis à jour.

  38. Fermez le dessin sans enregistrer les modifications.