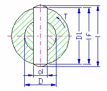
Générateur de blocages radiaux

Valeurs recommandées :

d = (0.2 - 0.3) D

D 1 = (1.5 - 2) D - pour acier et acier moulé

D 1 = 2.5 D - pour fonte grise

Longueur active de broche

La longueur active de broche l f est la longueur réduite par le chanfrein et le congé de dent. La longueur active supporte généralement la charge.

Formules en unités métriques

Contrainte de pliage

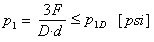
Pression dans la tige

Pression dans la chape

Contrainte de cisaillement

où :

 

F

force [N]

 

σ 0

contrainte de pliage [MPa]

 

σ 0D

contrainte de pliage admissible [MPa]

 

M 0

moment de flexion [N mm]

 

W 0

module de coupe de flexion [mm 3 ]

  τ

contrainte de cisaillement [MPa]

 

τ D

contrainte de cisaillement admissible [MPa]

 

d

diamètre de la broche [mm]

 

p 1

pression dans la tige [MPa]

 

p 2

pression dans la chape [MPa]

 

p 1D

pression admissible dans la tige [MPa]

 

p 2D

pression admissible dans la chape [MPa]

 

b

largeur de la tige [mm]

 

a

largeur du bras de chape [mm]

 

D

diamètre de l'arbre [mm]

Formules en unités anglo-saxonnes

Contrainte de pliage

Pression dans la tige

Pression dans la chape

Contrainte de cisaillement

où :

 

F

force [lb]

 

σ 0

contrainte de pliage [psi]

 

σ 0D

contrainte de pliage admissible [psi]

 

M 0

moment de flexion [ln ft]

 

W 0

module de coupe de flexion [po 3 ]

  τ

contrainte de cisaillement [psi]

 

τ D

contrainte de cisaillement admissible [psi]

 

d

diamètre de la broche [po]

 

p 1

pression dans la tige [psi]

 

p 2

pression dans la chape [psi]

 

p 1D

pression admissible dans la tige [psi]

 

p 2D

pression admissible dans la chape [psi]

 

b

largeur de la tige [po]

 

a

largeur du bras de chape [po]

 

D

diamètre de l'arbre [po]