A propos des tableaux

Un tableau est soit une table contenant les coordonnées d'éléments spécifiques dans un modèle :

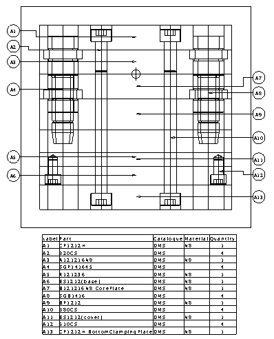
ou une nomenclature, un tableau des composants/sous-assemblages utilisés par un assemblage :

Si vous avez installé Microsoft Excel, des tableaux intégrés sont créés.

Vous pouvez créer des tableaux pour :

Vous pouvez également accoler des tableaux pour ajouter d'avantage d'entrées.