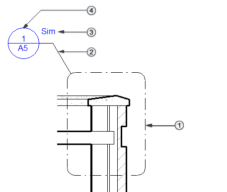
A propos des étiquettes de détail

Une étiquette de détail constitue un élément d'annotation qui marque l'emplacement d'un repère dans une vue parente.

L'étiquette de détail est constitué des parties suivantes :