Esercizio B4: modifica di una parte tramite i comandi REM

Questo esercizio mostra come utilizzare i comandi REM per modificare un'immagine raster.

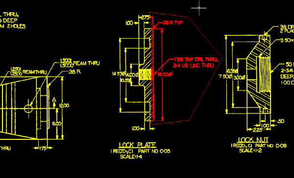
Verrà modificata una piastra di bloccaggio che fa parte di una guida di perforazione, aumentando lo spessore del piano posteriore della piastra di bloccaggio e aggiornando il testo di quota per riflettere la modifica dello spessore.

Esercizi correlati

Prima di svolgere questo esercizio, è necessario accertarsi che le opzioni del AutoCAD Raster Design toolset siano impostate come descritto in Esercizio A1: impostazione delle opzioni del AutoCAD Raster Design Toolset.

Esercizio

  1. Nella cartella \Tutorial3 aprire il file di disegno REM_05.dwg.
  2. Fare clic sul menu VisualizzaViste con nome. Impostare la vista corrente su TU_lock_plate.

    Dividere la piastra di bloccaggio in due parti

  3. Se necessario, aprire le barre degli strumenti REM.
  4. Fare clic su Regione poligonale sulla barra degli strumenti REM.
  5. Disegnare un poligono con una linea verticale che divide a metà l'area più sottile della piastra di bloccaggio e che include il testo di quota a destra della parte. Premere Invio.
  6. Digitare s (SPOSTA) per spostare l'oggetto REM esattamente di 0,25 pollici verso destra. Per eseguire questa operazione, utilizzare l'opzione Spostamento e specificare un valore di 0,25,0,0.

    Questa operazione crea una distanza nell'immagine raster. È necessario unire l'oggetto regione all'immagine prima di poter apportare altre modifiche alla parte.

  7. Selezionare l'oggetto regione, fare clic con il pulsante destro del mouse e scegliere Unisci a immagine raster dal menu di scelta rapida.

    Chiudere la linea orizzontale superiore.

  8. Fare clic sul menu VisualizzaViste con nome. Impostare la vista corrente su TU_2.75.
  9. Fare clic su Linea sulla barra degli strumenti REM e selezionare la linea orizzontale nella parte superiore della piastra di bloccaggio.

    La linea diventa un oggetto primitivo.

  10. Selezionare l'oggetto primitivo, selezionarne il grip destro e stirare la linea per chiudere la distanza di 0,25 pollici.
  11. Selezionare l'oggetto primitivo, fare clic con il pulsante destro del mouse e scegliere Unisci a immagine raster.

    Chiudere la linea orizzontale inferiore

  12. Fare clic sul menu VisualizzaViste con nome. Impostare la vista corrente su TU_bottom.
  13. Fare clic su Linea sulla barra degli strumenti REM e selezionare la linea orizzontale nella parte inferiore della piastra di bloccaggio.

    La linea diventa un oggetto primitivo.

  14. Selezionare l'oggetto primitivo, selezionarne il grip destro e stirare la linea per chiudere la distanza di 0,25 pollici.
  15. Selezionare l'oggetto primitivo, fare clic con il pulsante destro del mouse e scegliere Unisci a immagine raster.

    Chiudere le linee della filettatura.

  16. Fare clic sul menu VisualizzaViste con nome. Impostare la vista corrente su TU_thread.
  17. Fare clic su Rettangolare nella barra degli strumenti REM.
  18. Disegnare un rettangolo sottile intorno ad alcune linee della filettatura.

    È possibile quindi copiare l'oggetto per chiudere la distanza nelle linee della filettatura.

  19. Utilizzare COPIA per copiare l'oggetto regione.
  20. Inserire la copia dell'oggetto regione in modo che chiuda la distanza nelle linee della filettatura.
  21. Selezionare la copia dell'oggetto regione, fare clic con il pulsante destro del mouse e scegliere Unisci a immagine raster.
  22. Fare clic con il pulsante destro del mouse e scegliere REMDeseleziona tutto dal menu di scelta rapida.

    Sostituire il testo di quota

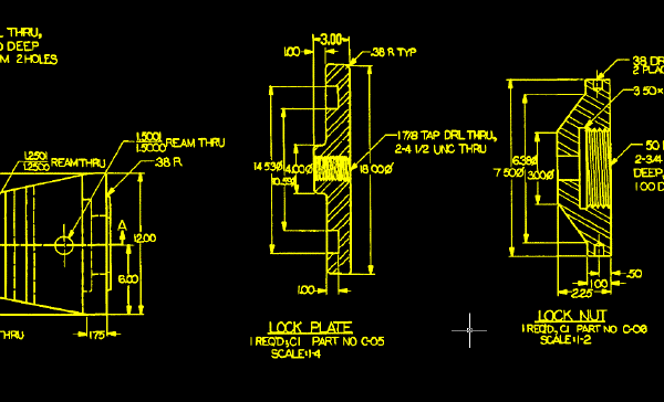
    A questo punto il testo di quota verrà modificato da 2,75 a 3,00, ad indicare il nuovo spessore della piastra di bloccaggio.

  23. Fare clic sul menu VisualizzaViste con nome. Impostare la vista corrente su TU_2.75.
  24. Utilizzare il Gestore proprietà layer per impostare TU_image_new come layer corrente.
  25. Fare clic sul menu RasterStrumenti di vettorizzazioneTesto. Selezionare un punto alla base del numero 2 a sinistra.

    I puntatori a croce identificano l'area in cui selezionare un punto per inserire il nuovo testo di quota.

  26. Nella finestra di dialogo Modifica Vtesto, immettere 3.00 e fare clic su OK.

    Il AutoCAD Raster Design toolset inserisce il nuovo testo di quota nel punto selezionato. Notare che nella riga di comando viene visualizzata l'opzione Finestra avanzata per la rimozione del testo raster. Nella prossima procedura si rimuoverà il testo raster 2.75 utilizzando questo metodo.

  27. Disegnare una finestra intorno al testo di quota precedente. L'eventuale inclusione di una parte delle punte di freccia non rappresenta un problema. Vengono infatti escluse dal metodo di selezione avanzata. Notare che il testo da rimuovere è evidenziato. Premere Invio per rimuovere il testo selezionato, quindi premerlo una seconda volta per completare il comando.
  28. Selezionare il testo vettoriale, fare clic col pulsante destro del mouse, selezionare Proprietà e impostare il fattore di larghezza del testo su 0,8.
  29. Centrare il testo di quota tra le frecce direttrici se necessario.
  30. Per visualizzare la finestra di dialogo Impostazioni della penna raster, fare clic su ImmagineUnisciConfigura penne raster.
  31. Selezionare Giallo, impostare le unità su AutoCAD e fare clic su Seleziona.
  32. Selezionare due punti che rappresentano lo spessore della linea di quota verticale.

    L'esempio seguente mostra come selezionare i due punti che determinano lo spessore della penna raster per il nuovo testo di quota. Quando si crea testo raster a partire dal testo di quota vettore, lo spessore del testo deve essere tale da corrispondere a quello del disegno al tratto nell'immagine.

  33. Verificare che Spessore penna sia impostato su un valore prossimo a 0,10, quindi fare clic su OK.
  34. Selezionare il testo vettoriale, fare clic con il pulsante destro del mouse e scegliere Unisci vettore a immagine raster.
  35. Immettere s (sì) per eliminare il testo vettoriale dopo l'unione.

    L'esempio seguente mostra l'aspetto dell'immagine dopo la sostituzione del testo di quota precedente con il nuovo testo raster creato dal testo di quota vettore.

    Esaminare le modifiche apportate alla piastra di bloccaggio

  36. Fare clic sul menu VisualizzaViste con nome. Impostare la vista corrente su TU_lock_plate.
  37. Esaminare le modifiche apportate alla parte e alle rispettive quote.

    Questo esempio mostra l'aspetto della piastra di bloccaggio e dei relativi testi di quota dopo l'aggiornamento.

  38. Chiudere il disegno senza salvare le modifiche.