Dopo la selezione dello strumento per la generazione di layout, nella scheda Genera layout e nella barra delle opzioni risultano disponibili gli strumenti per la creazione di layout descritti di seguito.
Per combinare linee di layout, selezionare la linea di layout da combinare e trascinare il relativo controllo di gomito/estremità fino a che non viene eseguito lo snap del controllo a una linea di layout adiacente. La linea di layout che è stata modificata viene automaticamente rimossa e vengono aggiunte ulteriori linee di layout per rappresentare una connessione fisica con il componente associato alla linea di layout modificata. Tutti i componenti associati a linee di layout modificate mantengono la posizione originale. La combinazione di linee di layout consente di ridefinire il layout di modo che corrisponda all'intento di progettazione.
Quando si utilizza Modifica, per il layout corrente, ovvero quello modificato, viene salvata una soluzione personalizzata. Se in seguito si utilizza Modifica per selezionare un'altra soluzione, viene visualizzato un messaggio in cui viene chiesto se si desidera sovrascrivere la soluzione precedente.
Per modificare un layout, fare clic su
(Modifica) e selezionare una linea di layout da riposizionare o combinare. È possibile utilizzare i seguenti controlli:
Controllo del movimento parallelo: consente di spostare un'intera linea di layout lungo un asse perpendicolare alla linea di layout. Ulteriori linee vengono automaticamente aggiunte quando necessario per mantenere le connessioni del sistema. Questo controllo non consente di sovrapporre segmenti di layout. Per tale operazione è necessario utilizzare il controllo Gomito/Estremità.
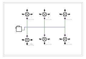
Controlli di giunzione:
: rappresenta un raccordo a T.
: rappresenta un raccordo a croce. Questi controlli consentono di spostare in alto, in basso, a sinistra o a destra una connessione a T o a croce tra una tubazione principale e un ramo. Il movimento è limitato all'estremità associata al simbolo del controllo di giunzione (vedere nota precedente).
Controllo gomito/estremità: consente di spostare il punto di intersezione tra due linee di layout o l'estremità di una linea di layout. Questo controllo consente inoltre di combinare linee di layout. Ulteriori linee di layout vengono automaticamente aggiunte quando necessario per mantenere le connessioni del sistema.
Controllo quota altimetrica: indica la quota altimetrica corrente della linea. Fare clic su questo controllo e immettere un valore per regolare la quota altimetrica.
Rete: crea un riquadro di delimitazione attorno ai componenti selezionati per il sistema di condotti. Vengono proposte fino a 6 soluzioni posizionate su un segmento principale lungo la linea d'asse del riquadro di delimitazione, con rami a 90 gradi rispetto al segmento principale.

Perimetro: crea un riquadro di delimitazione attorno ai componenti selezionati per il sistema e propone 5 possibili soluzioni di instradamento. Quattro soluzioni presentano un instradamento lungo 3 dei 4 lati del riquadro di delimitazione. La quinta soluzione è basata su tutti e quattro i lati.

È possibile specificare il valore Rientro che determina l'offset tra il riquadro di delimitazione e i componenti.
Intersezioni: il possibile instradamento è basato su una coppia di linee immaginarie che si estendono da ciascun connettore dei componenti del sistema. Linee perpendicolari si estendono dai connettori. Nel punto di intersezione delle linee dei componenti la soluzione prevede delle giunzioni. Fino a 8 soluzioni possono essere proposte lungo i percorsi più brevi.
È possibile utilizzare i pulsanti freccia (![]()
) per scorrere le soluzioni di instradamento proposte.
Impostazioni: consente di aprire la finestra di dialogo Impostazioni di conversione dei condotti, in cui è possibile specificare le caratteristiche della tubazione principale e dei rami.
Rientro: specifica la distanza tra il riquadro di delimitazione e i componenti del sistema. È possibile selezionare un valore positivo o negativo per posizionare il perimetro rispettivamente all'interno o all'esterno del riquadro di delimitazione.
Questa opzione è disponibile solo si seleziona la soluzione Perimetro.
Questa opzione è diversa da Annulla (CTRL+Z) in quanto consente di reintrodurre gli elementi a prescindere dall'ordine sequenziale.
Per utilizzare il controllo di base, inserire il controllo di base nel punto in cui la connessione aperta verrà posizionata per il layout. È anche possibile inserire un controllo di base per connettere i layout secondari. Se la base è sulla stessa quota altimetrica delle connessioni aperte, una tubazione o un condotto verrà collegato alle connessioni secondarie aperte. Se il controllo di base viene inserito su una quota altimetrica diversa da quella delle connessioni aperte, verrà creata un'alzata di tubazione o condotto per connettere il layout.
Ruota intorno all'asse della direzione della connessione: ruota il controllo di base intorno all'asse della direzione della connessione (tale direzione è indicata da una freccia nella vista 3D).
Ruota intorno all'asse perpendicolare alla direzione della connessione: ruota il controllo di base intorno all'asse perpendicolare alla direzione della connessione (la direzione della connessione è indicata da una freccia nella vista 3D).
Sposta base: riposiziona il controllo di base.