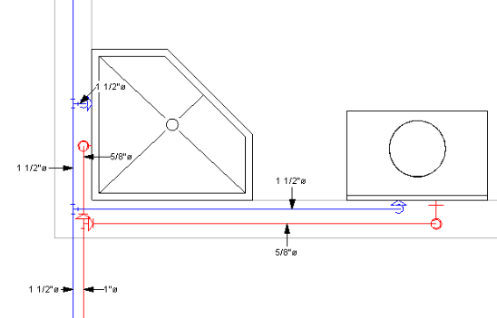
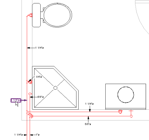
Le immagini seguenti mostrano i risultati dei vari metodi di dimensionamento di tubazioni.

Prima del dimensionamento

Dopo il dimensionamento

Prima del dimensionamento

Dopo il ridimensionamento

Prima del dimensionamento

Dopo il ridimensionamento

Prima del dimensionamento

Dopo il ridimensionamento

Prima del dimensionamento

Dopo il ridimensionamento

Singola tubazione

Diagramma di flusso