Posizionamento di un manicotto armatura

Unire le istanze di armatura adiacenti o di giunzione con un manicotto.

Video: posizionamento di manicotti armatura

  1. Fare clic sulla scheda Struttura gruppo Rinforzo (Manicotto armatura).
  2. Fare clic sulla modalità di posizionamento del manicotto:
    • Scheda Modifica | Inserisci manicotto armatura gruppo Opzioni di posizionamento (Inserisci su estremità barra)
    • Scheda Modifica | Inserisci manicotto armatura gruppo Opzioni di posizionamento (Inserisci tra due barre)
  3. Nel Selettore di tipo, nella parte superiore della tavolozza Proprietà, selezionare il tipo di manicotto armatura desiderato. Le dimensioni del manicotto devono corrispondere alla dimensione dell'armatura per creare una connessione.
  4. Posizionare il manicotto sull'armatura.
    • Per il posizionamento all'estremità di una barra, selezionare l'estremità desiderata dell'armatura.
    • Per il posizionamento tra due barre, selezionare due istanze di armatura valide. La seconda barra selezionata verrà riposizionata e ridotta come necessario per il manicotto.
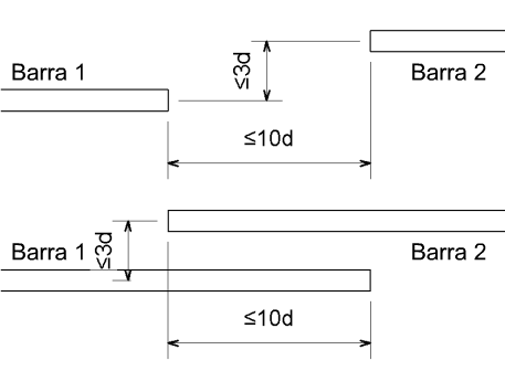
      Per collegare un manicotto a due istanze di armatura, le estremità collegate non devono trovarsi a più di 10 diametri barra di distanza. Le barre non possono trovarsi a un offset superiore a 3 diametri barra l'una dall'altra.

      Tolleranza di posizionamento del manicotto

Posizionamento di un manicotto armatura tra barre ad arco

Per posizionare un manicotto armatura tra due barre ad arco, è necessario che le due barre abbiano lo stesso centro.


Suggerimento: Per collegare le barre non allineate, aggiungere un manicotto ad una delle barre e modificare la finitura estremità all'altra barra, in modo che possa essere fabbricata per la connessione del manicotto.