既存の配線にコネクタを挿入します。
コネクタの相互配線が完了したら、インライン コネクタを挿入して配線をグループ化します。
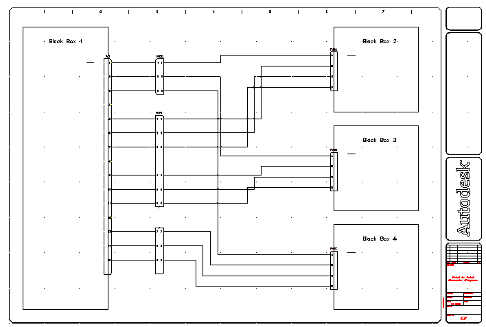
インライン コネクタの挿入


の順にクリックします。 検索
[ピン間隔]: 1.0
[ピン数]: 3
[配線交差点]
[ピン リスト]: 1
[すべて挿入]

挿入点を指定 または[ズーム(Z)、画面移動(P)、配線交差(X)、水平/垂直(V)、反転(Tab)]:
PJ1 のピン 1 ~ 3 に接続されている配線上をクリックして、コネクタを配置します。



の順にクリックします。 検索
[ピン間隔]: 1.0
[ピン数]: 9
[配線交差点]
[ピン リスト]: 1
[スペーサ/ブレークを許可]
挿入点を指定 または[ズーム(Z)、画面移動(P)、配線交差(X)、水平/垂直(V)、反転(Tab)]:
PJ1 のピン 5 から始まっているコネクタを配置する場合に選択します。
配線を交差させるとコネクタが展開されることに注目してください。
ダイアログ ボックスには、ここまでにどのコネクタ ピンが挿入されているかが表示されます。9 つの接続のうち 6 つを配置し終わるまで[次の接続を挿入]をクリックし続けます。

挿入点を指定 または[ズーム(Z)、画面移動(P)、配線交差(X)、水平/垂直(V)、反転(Tab)]:
PJ1 のピン 13 から始まっているコネクタをクリックして、配置します。




の順にクリックします。 検索
連結元コンポーネント: PJ6 (1)の下部を選択します。
連結先コンポーネント: PJ6 (2)の上部を選択し、右クリックします。
