図面内のシート メタルの注記

曲げおよびパンチ穴の指示を追加するために、注記とテーブルを使用する方法を説明します。

曲げ注記

曲げ注記は、シート メタルの曲げ中心線に加工情報を追加します。曲げ注記は図面ビューに関連付けられています。

曲げテーブルには、シート メタル パーツのフラット パターン ビューのすべての曲げのプロパティが一覧表示されます。

曲げタグは、曲げテーブル内の行とビューのジオメトリを関連付けます。図面に曲げテーブルを挿入すると、選択した図面ビューに曲げタグが自動的に追加されます。曲げタグは寸法スタイルによって書式設定され、既定では引出線は付いていません。曲げタグの文字を元の位置からドラッグして、曲げタグに引出線を追加します。

注:

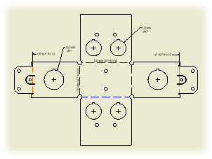
パンチ穴注記

パンチ穴の注記には、パンチ穴 ID、角度、方向、深さ、数量ノートなどの、パンチ穴に関連するデータが含まれます。パンチ穴の注記の既定のスタイルは、[寸法スタイル]パネルの[注記と引出線]タブで設定します。

パンチ テーブルを作成する前に、パンチ穴の中心を復元します。パンチ穴の中心は、図面ビューでは中心マークで表されます。ビューベースの穴テーブルを作成し、復元されたパンチ穴の中心を含めるように選択した場合、表示されているパンチ穴の中心マークはすべて個別の行として穴テーブルに含められます。対応するタグが図面ビュー内に作成されます。

パンチ テーブルを作成するには、[穴テーブル]コマンドを使用します。必要に応じて、[穴テーブルのスタイル]の[既定のフィルタ]を変更して、復元されたパンチ穴の中心を穴テーブルに既定で含めるようにします。

注:

曲げおよびパンチ穴注記の変換単位

曲げおよびパンチ穴注記では、変換単位で寸法値を表示できます。二重単位表示は、[寸法スタイル]の[変換単位]タブで設定します。

曲げまたはパンチ テーブルで二重寸法値を表示するには、[列選択]ダイアログ ボックスを使用して、変換単位の列をテーブルに追加します。

注: 二重単位形式を選択すると、精度と公差の値も二重形式形式で表示されます。