クロス ピン ジェネレータ

推奨値:

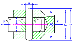
d = (0.2 -0.3) D

D 1 = (1.5 - 2) D - 鋼鉄および鋳鋼の場合

D 1 = 2.5 D - ねずみ鋳鉄の場合

有効ピン長さ

ピンの有効な長さ l f は、面取りおよびフィレットを行うことで短くなります。有効長さは通常、荷重を支えます。

せん断応力チェック

接触圧力チェック

記号の説明(メートル単位):

τ

せん断応力[MPa]

τ A

許容せん断応力[MPa]

d

ピン径[mm]

p 1

ドローロッドにおける圧力[MPa]

p 2

スリーブにおける圧力[MPa]

p 1A

スリーブにおける許容圧力[MPa]

p 2A

ドローロッドにおける許容圧力[MPa]

D

ドローロッドの直径[mm]

D 1

スリーブ径[mm]

記号の説明(英国単位):

τ

せん断応力[psi]

τ A

許容せん断応力[psi]

d

ピン径[インチ]

p 1

ドローロッドにおける圧力[psi]

p 2

スリーブにおける圧力[psi]

p 1A

スリーブにおける許容圧力[psi]

p 2A

ドローロッドにおける許容圧力[psi]

D

ドローロッドの直径[インチ]

D 1

スリーブ径[インチ]