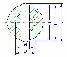
推奨値:
d = (0.2 -0.3) D
D 1 = (1.5 - 2) D - 鋼鉄および鋳鋼の場合
D 1 = 2.5 D - ねずみ鋳鉄の場合
有効ピン長さ
ピンの有効な長さ l f は、面取りおよびフィレットを行うことで短くなります。有効長さは通常、荷重を支えます。
式(メートル単位)
曲げ応力
棒圧力
クレビス圧力
せん断応力
ここで
|
F |
力[N] |
|
|
σ 0 |
曲げ応力[MPa] |
|
|
σ 0D |
許容曲げ応力 [MPa] |
|
|
M 0 |
曲げモーメント[N mm] |
|
|
W 0 |
曲げ断面係数[mm 3 ] |
|
| τ |
せん断応力[MPa] |
|
|
τ D |
許容せん断応力[MPa] |
|
|
d |
ピン径[mm] |
|
|
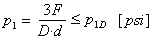
p 1 |
棒圧力[MPa] |
|
|
p 2 |
クレビス圧力[MPa] |
|
|
p 1D |
許容棒圧力[MPa] |
|
|
p 2D |
許容クレビス圧力[MPa] |
|
|
b |
棒幅[mm] |
|
|
a |
クレビス アーム幅[mm] |
|
|
D |
軸径[mm] |
式(英国単位)
曲げ応力
棒圧力
クレビス圧力
せん断応力
ここで
|
F |
力[lb] |
|
|
σ 0 |
曲げ応力[psi] |
|
|
σ 0D |
許容曲げ応力[psi] |
|
|
M 0 |
曲げモーメント[ln ft] |
|
|
W 0 |
曲げ断面係数[in 3 ] |
|
| τ |
せん断応力[psi] |
|
|
τ D |
許容せん断応力[psi] |
|
|
d |
ピン径[インチ] |
|
|
p 1 |
棒圧力[psi] |
|
|
p 2 |
クレビス圧力[psi] |
|
|
p 1D |
許容棒圧力[psi] |
|
|
p 2D |
許容クレビス圧力[psi] |
|
|
b |
棒幅[インチ] |
|
|
a |
クレビス アーム幅[インチ] |
|
|
D |
軸径[インチ] |