신축 동작은 동작에 의해 지정된 기준점을 기준으로 지정된 방향으로 지정된 거리만큼 객체를 이동하고 신축합니다.
점 매개변수에 적용된 신축 동작은 임의의 방향으로 지정된 거리만큼 선택한 객체를 이동하고 신축합니다.
선형 또는 원형 매개변수에 적용된 신축 동작은 매개변수의 방향으로 지정된 거리만큼 선택한 객체를 이동하고 신축합니다.
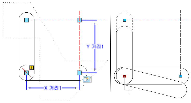
XY 매개변수에 적용된 신축 동작은 매개변수에 의해 지정된 X 및 Y 방향으로만 선택한 객체를 신축합니다.