보강 철근 커플러 배치

이어지거나 인접 보강 철근 인스턴스(instance)를 커플러로 결합합니다.

비디오: 보강 철근 커플러 배치

  1. 구조 탭 철근 배근 패널 (보강 철근 커플러)을 클릭합니다.
  2. 커플러가 배치되는 방법 클릭:
    • 수정 | 보강 철근 커플러 삽입 탭 배치 옵션 패널 (철근 끝에 배치)
    • 수정 | 보강 철근 커플러 삽입 택 배치 옵션 패널 (두 철근 사이에 배치)
  3. 특성 팔레트 상단에 있는 유형 선택기에서 원하는 보강 철근 커플러 유형을 선택합니다. 연결을 작성하려면 커플러 크기가 보강 철근 크기와 일치해야 합니다.
  4. 보강 철근에 커플러를 배치합니다.
    • 철근 끝에 배치하려면 보강 철근의 원하는 끝을 선택합니다.
    • 두 철근 사이에 배치하려면 두 개의 유효한 보강 철근 인스턴스(instance)를 선택합니다. 선택한 두 번째 막대가 재배치되고 커플러에 대해 필요에 따라 길이가 짧아집니다.
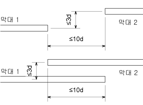
      두 개의 보강 철근 인스턴스(instance)를 연결하는 커플러에 대해 연결된 끝은 10개의 철근 지름을 초과해서는 안 됩니다. 철근은 다른 철근으로부터 3개의 철근 지름을 초과하여 간격띄우기를 할 수 없습니다.

      커플러 배치 공차

호 철근 사이에 보강 철근 커플러 배치

두 호 철근 사이에 보강 철근 커플러를 배치하려면 두 철근의 중심이 동일해야 합니다.


팁: 정렬되지 않은 철근을 연결하려면 커플러 연결용으로 제작될 수 있도록 철근 중 하나에 커플러를 추가하고 끝 처리를 다른 철근으로 변경합니다.