Użycie jako podstawy skoku odległościowego innego obiektu niż domyślny (Zestaw narzędzi AutoCAD Mechanical)

  1. Kliknij kolejno kartę Narzędzia głównepanel WymiarSuperwymiar. Wyszukiwanie
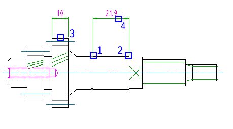
  2. Wskaż początek pierwszej (1) i drugiej (2) linii pomocniczej.
  3. Kiedy zostanie wyświetlony monit o wskazanie położenia linii wymiarowej, wpisz C.
  4. Wskaż obiekt (3), który będzie podstawą skoku odległościowego.
  5. Przesuń wskaźnik do wymaganej pozycji i orientacji wymiaru. Kliknij, aby umieścić linię wymiarową (4).
    Uwaga:

    Kolor linii wymiarowej zmieni się na czerwony, gdy zostanie zlokalizowana w standardowej odległości od obiektu.

  6. Zmodyfikuj wymiar zgodnie z potrzebami, korzystając z ustawień na karcie kontekstowej wstążki Superwymiarowanie, albo kliknij kolejno kartę Superwymiarowaniemenu rozwijane Wstępnie zdefiniowany. Wyszukiwanie i wybierz wstępnie zdefiniowany szablon tekstu.
  7. Kliknij kolejno kartę Superwymiarowaniepanel Zamknij Zamknij edytor. Wyszukiwanie