Wybieranie standardu rysunkowego — informacje (Zestaw narzędzi AutoCAD Mechanical)

Program Zestaw narzędzi AutoCAD Mechanical grupuje wszystkie ustawienia określane przez normy rysunkowe i zapisuje je w profilu określanym jako norma.

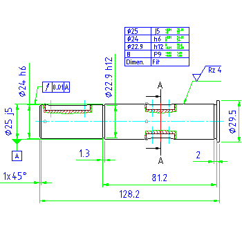
Program Zestaw narzędzi AutoCAD Mechanical zawiera osiem takich profilów (ANSI, BSI, CSN, DIN, GB, ISO JIS i GOST), z których każdy jest skonfigurowany tak, aby był zgodny z normą rysunkową. Te ustawienia określają sposób tworzenia geometrii przez wbudowane narzędzia programu Zestaw narzędzi AutoCAD Mechanical. Dlatego program Zestaw narzędzi AutoCAD Mechanical jest określany mianem programu opartego na normach. Na poniższej ilustracji pokazano rysunek wałka, który został utworzony, gdy wybraną normą była norma DIN. Należy zwrócić uwagę na to, w jaki sposób opisy zachowują zgodność z normą DIN.

Domyślna norma rysunkowa

Ponieważ program Zestaw narzędzi AutoCAD Mechanical jest oparty na normach, przypisanie normy rysunkowej do rysunku ma zasadnicze znaczenie. Podczas tworzenia rysunku program Zestaw narzędzi AutoCAD Mechanical automatycznie przypisuje do niego normę rysunkową.

W przypadku otwierania rysunku programu AutoCAD lub tworzenia rysunku za pomocą szablonu programu AutoCAD (*.dwt) program Zestaw narzędzi AutoCAD Mechanical przypisuje najbardziej odpowiednią dla tego rysunku normę (zobacz też temat „Udostępnianie nadpisań standardów i norm niestandardowych w przypadku innych rysunków”). Normę rysunkową można łatwo zmienić.

Ustawienia określone przez normę rysunkową

Standard kreślarski określa następujące elementy standardu:

Nadpisywanie elementów normy

Można nadpisać dowolne ustawienia zależne od normy, aby spełniały szczególne wymagania. Program zapisuje zastąpienia wraz z normą. Po zmianie normy na inną elementy nowej normy stają się aktywne. Jeśli norma zostanie zmieniona w trakcie sesji rysowania, zmiana nie zostanie odzwierciedlona w istniejących obiektach rysunku. Tylko nowe obiekty będą zgodne z nowo wybraną normą. Po przywróceniu uprzednio używanej normy ustawienia, które obowiązywały na początku, znowu staną się aktywne.

Uwaga: Jeśli norma zostanie zmieniona w trakcie sesji rysowania, a następnie zostanie nadpisany element normy, ta zmiana będzie stosowana tylko do obiektów utworzonych po wprowadzeniu zmiany w normie. Na przykład można utworzyć opis przy włączonej normie ISO, a następnie zmienić normę na DIN. Jeśli następnie zostaną nadpisane ustawienia koloru tekstu opisów, ta zmiana będzie widoczna tylko w opisach utworzonych po zmianie normy na DIN. W opisach utworzonych zgodnie z normą ISO zostaną zachowane oryginalne kolory. Są one określane przez normę ISO, a nie DIN.

Normy niestandardowe i ich znaczenie

W przypadku zmiany elementu standardu program Zestaw narzędzi AutoCAD Mechanical sprawdza poprawność zmian i czasami uniemożliwia utworzenie ustawień niezgodnych ze standardem. Aby obejść proces sprawdzania poprawności, należy utworzyć normę niestandardową i wybrać ją jako bieżącą normę rysunkową.

Na przykład norma ANSI ogranicza możliwość wyboru wysokości tekstu do wartości 0,1, 0,12 i 0,24. Aby użyć innej wielkości tekstu, należy utworzyć normę niestandardową opartą na normie ANSI. Norma niestandardowa umożliwia zmianę wysokości tekstu na dowolną wartość. Wszystkie inne ustawienia będą zgodne z normą ANSI.

Udostępnianie nadpisań standardów i norm niestandardowych w przypadku innych rysunków

Aby udostępnić normę niestandardową lub nadpisania normy do wykorzystania w przyszłych rysunkach, należy zapisać je w szablonie rysunku (*.dwt). Ustawienie tego szablonu jako szablonu domyślnego spowoduje, że do każdego otwieranego rysunku programu AutoCAD lub rysunku tworzonego na podstawie szablonu programu AutoCAD będą stosowane ustawienia zależne od normy określone w szablonie domyślnym. Jeśli występuje niezgodność jednostek między szablonem domyślnym i rysunkiem/szablonem AutoCAD, program Zestaw narzędzi AutoCAD Mechanical zachowuje się w taki sposób, jakby nie był ustawiony żaden szablon domyślny. Jeśli nie jest ustawiony żaden szablon domyślny, program Zestaw narzędzi AutoCAD Mechanical przypisuje normę ANSI (rysunki w jednostkach angielskich) albo normę ISO (rysunki w jednostkach metrycznych).

Za pomocą polecenia AMSETUPDWG można także zaimportować ustawienia z szablonu rysunku (*.dwt). Zaimportowanie ustawień w trakcie sesji rysowania oznacza zmianę normy rysunkowej lub zmianie elementów normy w trakcie sesji rysowania.