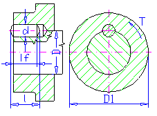
Valores recomendados
d = (0,12 - 0,25) D
l = (1 - 1,5) D
Comprimento ativo do pino
O comprimento ativo do pino l f diminui com os chanfros e as concordâncias e costuma suportar a carga. e costuma suportar a carga.
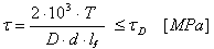
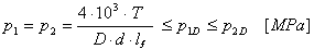
Fórmulas em unidades métricas
Torque transferido
Verificação de tensão de corte
Verificação de pressão de contato
onde:
|
P |
potência transferida [kW] |
|
|
n |
velocidade [rpm] |
|
|
T |
torque [Nm] |
|
| τ |
tensão de corte [MPa] |
|
|
τ A |
tensão de corte suportada [MPa] |
|
|
d |
diâmetro do pino [mm] |
|
|
p 1 |
pressão no eixo [MPa] |
|
|
p 2 |
pressão no cubo [MPa] |
|
|
p 1A |
pressão suportada no eixo [MPa] |
|
|
p 2A |
pressão suportada no cubo [MPa] |
|
|
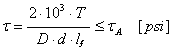
D |
diâmetro do eixo [mm] |
|
|
D 1 |
diâmetro do cubo [mm] |
|
|
l f |
comprimento ativo do pino [mm] |
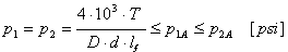
Fórmulas em unidades imperiais
Torque transferido
Verificação de tensão de corte
Verificação de pressão de contato
onde:
|
P |
potência transferida [CV] |
|
|
n |
velocidade [rpm] |
|
|
T |
torque [libras/pés] |
|
| τ |
tensão de corte [psi] |
|
|
τ A |
tensão de cisalhamento suportada [psi] |
|
|
d |
diâmetro do pino [pol] |
|
|
p 1 |
pressão no eixo [psi] |
|
|
p 2 |
pressão no cubo [psi] |
|
|
p 1A |
pressão suportada no eixo [psi] |
|
|
p 2A |
pressão suportada no cubo [psi] |
|
|
D |
diâmetro do eixo [pol] |
|
|
D 1 |
diâmetro do cubo [pol] |
|
|
l f |
comprimento ativo do pino [pol] |