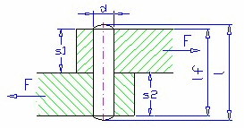
Comprimento ativo do pino
O comprimento ativo do pino l f diminui com os chanfros e as concordâncias e costuma suportar a carga. e costuma suportar a carga.
Fórmulas
Verificação de tensão de cisalhamento
Verificação de pressão de contato
Interpretações de símbolos em unidades métricas:
| τ |
tensão de corte [MPa] |
|
τ A |
tensão de corte suportada [MPa] |
|
d |
diâmetro do pino [mm] |
|
p 1 |
pressão no quadro superior [MPa] |
|
p 2 |
pressão no quadro inferior [MPa] |
|
p 1A |
pressão suportada no quadro superior [MPa] |
|
p 2A |
pressão suportada no quadro inferior [MPa] |
|
s 1 |
espessura do quadro superior [mm] |
|
s 2 |
espessura do quadro inferior [mm] |
Interpretação de símbolos em unidades imperiais:
| τ |
tensão de cisalhamento [psi] |
|
τ A |
tensão de cisalhamento suportada [psi] |
|
d |
diâmetro do pino [pol] |
|
p 1 |
pressão no quadro superior [psi] |
|
p 2 |
pressão no quadro inferior [psi] |
|
p 1A |
pressão suportada no quadro superior [psi] |
|
p 2A |
pressão suportada no quadro inferior [psi] |
|
s 1 |
espessura do quadro superior [mm] |
|
s 2 |
espessura do quadro inferior [mm] |