Colocar um acoplador do vergalhão

Una as instâncias de vergalhão divididas ou adjacentes com um acoplador.

Vídeo: Colocar acopladores do vergalhão

  1. Clique na guia Estrutura painel Armadura (acoplador do vergalhão).
  2. Clique em como o acoplador é colocado:
    • Em Modificar | guia Inserir acoplador do vergalhão painel Opções de colocação (Colocar na extremidade da barra)
    • Em Modificar | guia Inserir acoplador do vergalhão painel Opções de colocação (Colocar entre duas barras)
  3. No Seletor de tipo no topo da paleta Propriedades, selecione o tipo de acoplador do vergalhão desejado. O tamanho do acoplador deve coincidir com o tamanho do vergalhão para poder criar uma conexão.
  4. Coloque o acoplador no vergalhão.
    • Para colocação na extremidade de uma barra, selecione a extremidade do vergalhão desejada.
    • Para a colocação entre duas barras, selecione duas instâncias de vergalhão válidas. A segunda barra selecionada irá reposicionar e encurtar conforme necessário para o acoplador.
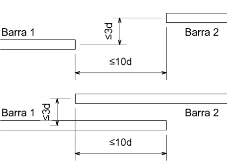
      Para que um acoplador conecte duas instâncias do vergalhão, as extremidades conectadas não devem ser maiores do que a distância de 10 diâmetros da barra entre si. As barras não podem ser deslocadas em mais de 3 diâmetros da barra uma da outra.

      Tolerância de colocação do acoplador

Inserir um acoplador de vergalhão entre as barras do arco

Para inserir um acoplador do vergalhão entre duas barras de arco, as duas barras precisam ter o mesmo centro.


Dica: Para conectar as barras que não estão alinhadas, adicione um acoplador a uma das barras e altere o tratamento de extremidade para a outra barra, para que possa ser fabricada para a conexão do acoplador.