Перемещение цепи в новое местоположение и обновление всех связанных компонентов.
При перемещении цепи для большинства родительских компонентов, входящих в состав цепи, автоматически переназначают позиционные обозначения, поскольку чертеж настраивается на назначение позиционных обозначений, основанное на ссылках на компоненты. В процессе перемещения цепи изменяются местоположения ссылок на перемещенные компоненты. Связанные дочерние компоненты обновляются в соответствии с новыми позиционными обозначениями родительских компонентов, это относится и к ссылкам на другие чертежи проекта.
Изменение расположения цепи

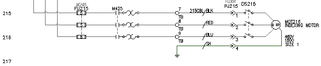
У этой цепи имеются позиционные обозначения компонентов.


. найти
Выбор объектов:
Выберите с помощью рамки цепь на линейной ссылке 215 для выбора соединительного провода и узлов, которые связаны с вертикальной шиной, щелкните правой кнопкой мыши.

Нажмите F9 для включения режима шаговой привязки.
Укажите базовую точку или перемещение:
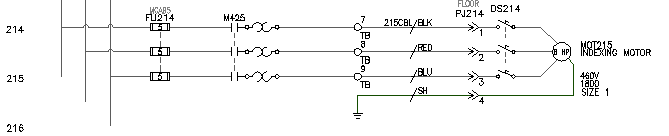
Укажите базовую точку, а затем — точку на линейной ссылке 214
Выполняется перемещение цепи, переназначение позиционных обозначений соответствующих компонентов и обновление перекрестных ссылок на основании новой линейной ссылки. Значения каждого из перечисленных позиционных обозначений родительских компонентов уменьшаются на единицу. Например, предохранитель FU215 теперь обозначен FU 214.


Ссылки связанных дочерних компонентов на активном чертеже обновляются в соответствии с новыми позиционными обозначениями родительских компонентов.
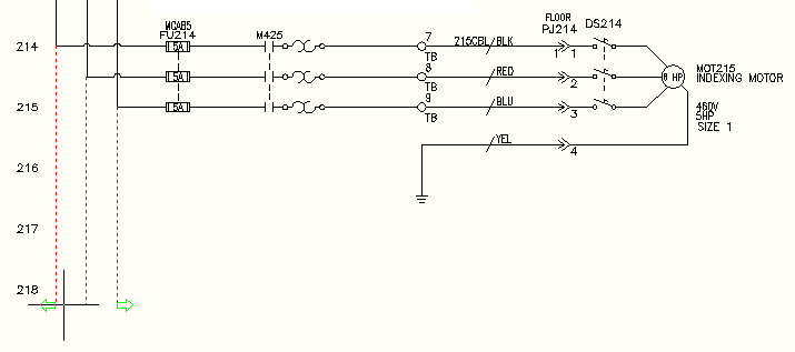
Обновляются связанные дочерние компоненты и ссылки компоновки монтажной панели на других чертежах, которые должны прийти в соответствие с родительскими компонентами на перемещенной цепи.


. найти
В диалоговом окне "Переход" отображаются три ссылки на листе 2 и одна ссылка на листе 9.
Переход по ссылке открывает чертеж компоновки монтажной панели и увеличивает масштаб изображения физического представления данного трехполюсного предохранителя. Обратите внимание на то, что физическое представление позиционного обозначения блока предохранителя было обновлено вследствие перемещения цепи.
Перемещение цепи двигателя на один промежуток между линейными ссылками вверх позволило освободить немного больше места для добавления под ней новой цепи. Следующий этап состоит в удлинении 3-фазной шины вниз, до линейной ссылки 218, и далее вправо для начала формирования цепи нового двигателя.
Удлинение 3-фазной шины

. найти
Направляющая/Секрамка/Згрн/<Выберите провод для операции ОБРЕЗАТЬ>:
Щелкните мышью на нижних концах трех висячих проводов; щелкните правой кнопкой мыши

Можно вставить вертикальную или горизонтальную 3-фазную проводку. При обнаружении на траектории трехфазной проводки каких-либо компонентов, ее провода разрываются с последующим восстановлением соединений с компонентами. При пересечении какой-либо существующей проводки вставляются петли пересечения проводов.

. найти
Интервал по горизонтали: 0.5
Интервал по вертикали: 0.5
Начать с: Другая шина (несколько проводов)
Количество проводов: 3

Выберите существующий провод для начала соединения многофазной шины:
Укажите нижний угол крайней левой вертикальной шины на линейной ссылке 214, как показано на иллюстрации

Выберите существующий провод для начала соединения многофазной шины: куда
Перетащите курсор вниз к линейной ссылке 218.
Временная графика отображает предлагаемую трассу для удлиненной шины.

Выполняется вставка на чертеж 3-фазной шины и графических образов узлов соединения проводов.
