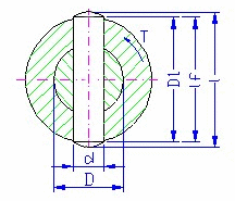
Рекомендуемые значения:
d = (0,2 - 0,3) D
D 1 = (1,5 - 2) D - для обычной и литой стали
D 1 = 2,5 D - для серого чугуна
Активная длина штифта
Активная длина штифта l f - это длина, уменьшенная в результате снятия фасок и сопряжения. Активная длина, как правило, принимает на себя всю нагрузку.
Формулы для метрических единиц
Напряжение изгиба
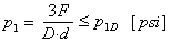
Давление в стержне
Давление в вилке
Напряжение сдвига
Где:
|
F |
сила [Н] |
|
|
σ 0 |
напряжение при изгибе [MПa] |
|
|
σ 0D |
допустимое напряжение при изгибе [MПa] |
|
|
M 0 |
изгибающий момент [Н мм] |
|
|
W 0 |
момент сопротивления изгибу [мм 3 ] |
|
| τ |
напряжение среза [MПa] |
|
|
τ D |
допустимое напряжение среза [MПa] |
|
|
d |
диаметр штифта [мм] |
|
|
p 1 |
давление в стержне [MПa] |
|
|
p 2 |
давление в вилке [MПa] |
|
|
p 1D |
допустимое давление в стержне [MПa] |
|
|
p 2D |
допустимое давление в вилке [MПa] |
|
|
b |
ширина стержня [мм] |
|
|
a |
ширина плеча вилки [мм] |
|
|
D |
диаметр вала [мм] |
Формулы для британских единиц
Напряжение изгиба
Давление в стержне
Давление в вилке
Напряжение сдвига
Где:
|
F |
сила [фунт] |
|
|
σ 0 |
напряжение при изгибе [фунт/кв.дюйм] |
|
|
σ 0D |
допустимое напряжение при изгибе [фунт/кв.дюйм] |
|
|
M 0 |
изгибающий момент [фунт фут] |
|
|
W 0 |
момент сопротивления изгибу [д 3 ] |
|
| τ |
напряжение среза [фунт/кв.дюйм] |
|
|
τ D |
допустимое напряжение среза [фунт/кв.дюйм] |
|
|
d |
диаметр штифта [д] |
|
|
p 1 |
давление в стержне [фунт/кв.дюйм] |
|
|
p 2 |
давление в вилке [фунт/кв.дюйм] |
|
|
p 1D |
допустимое давление в стержне [фунт/кв.дюйм] |
|
|
p 2D |
допустимое давление в вилке [фунт/кв.дюйм] |
|
|
b |
ширина стержня [д] |
|
|
a |
ширина плеча вилки [д] |
|
|
D |
диаметр вала [д] |