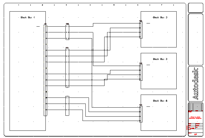
在现有导线中插入连接器。
由于您已将连接器连接在一起,现在可以插入导线内连接器来对导线编组。
插入导线内连接器


。 查找
引脚间距: 1.0
引脚数: 3
位于导线交叉处
引脚列表: 1
全部插入

指定插入点或 [Z=缩放,P=平移,X=导线交叉,V=水平/垂直,TAB=翻转]:
进行相应选择以将连接器放置在连接到 PJ1,引脚 1~3 的导线上



。 查找
引脚间距: 1.0
引脚数: 9
位于导线交叉处
引脚列表: 1
允许使用分隔符/打断符
指定插入点或 [Z=缩放,P=平移,X=导线交叉,V=水平/垂直,TAB=翻转]:
进行相应选择以将连接器从 PJ1,引脚 5 处开始放置
请注意,跨越导线时,连接器是如何扩展的。
该对话框中将显示迄今已插入的连接器引脚。继续单击“插入下一个连接”,直到放置了九个连接中的六个。

指定插入点或 [Z=缩放,P=平移,X=导线交叉,V=水平/垂直,TAB=翻转]:
进行相应选择以将连接器从 PJ1,引脚 13 处开始放置




。 查找
要从其进行链接的元件: 选择 PJ6 (1) 的底部
要链接到的元件: 选择 PJ6 (2) 的顶部,单击鼠标右键
