當您使用圖形交互參考格式型式時,預覽影像會變更,以展示交互參考在圖面中的外觀。
使用 JIC 型式或 IEC 型式圖形字體顯示交互參考格式。該設定會套用至圖形字體,這與專案性質中指定的加標籤模式無關。如果插入的元件中未指定交互參考取代,會從圖面性質中獲取此設定。
![]() JIC |
![]() IEC |
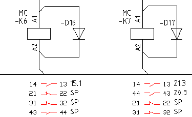
以下範例顯示未使用的子符號 (接點) 顯示為分隔參考時,圖形字體格式中符號旁邊的交互參考。「參考表示式」值為「SP」。
![]() JIC |
![]() IEC |
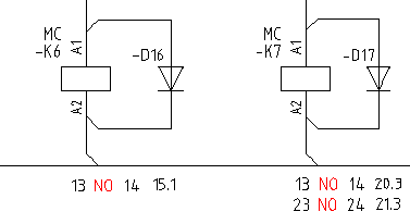
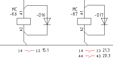
用交互參考的類型值 (NO、NC、NONC) 顯示交互參考格式。
![]() JIC |
![]() IEC |