以物件而非預設為基礎進行距離鎖點的步驟 (AutoCAD Mechanical 工具集)
按一下
「常用」頁籤
「標註」面板
「Power 標註」
。
查找
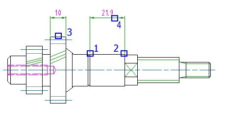
指定第一個 (1) 和第二個 (2) 延伸線原點。
提示您輸入標註線位置時,請輸入 P。
選取距離鎖點要做為基準的物件 (3)。
將指標移動到所需的標註位置和方位。按一下以放置標註線 (4)。
註:
當標註線鎖點至自物件的預置距離時,將變為紅色。
依需要使用「Power 標註」功能區關聯式頁籤上的設定編輯標註,或按一下
「Power 標註」頁籤
「事先定義」下拉清單
。
查找
並選取事先定義的標註文字樣板。
按一下
「Power 標註」頁籤
「關閉」面板
「關閉編輯器」
。
查找
相關概念
關於 Power 標註 (AutoCAD Mechanical 工具集)
關於建立線性標註 (AutoCAD Mechanical 工具集)
相關工作
暫時變更距離鎖點值的步驟 (AutoCAD Mechanical 工具集)
暫時關閉距離鎖點的步驟 (AutoCAD Mechanical 工具集)
規劃距離鎖點設定的步驟 (AutoCAD Mechanical 工具集)
相關參考
用於建立 Power 標註的指令 (AutoCAD Mechanical 工具集)