循環系統尺寸設定範例
以下影像展示各種循環式管尺寸設定方法的結果。
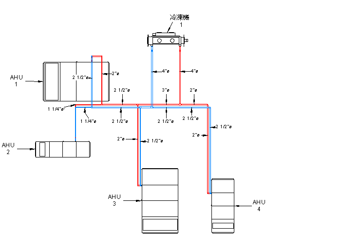
僅限摩擦力
在調整大小之前
在調整大小之後
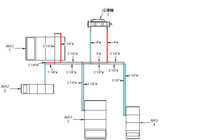
僅限速度
在調整大小之前
在調整大小之後
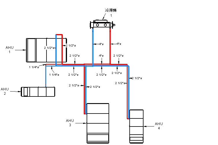
摩擦力和速度
在調整大小之前
在調整大小之後
較大的接點或計算
在調整大小之前
在調整大小之後
使接點符合管大小
在調整大小之前
在調整大小之後
上層主題:
管尺寸設定範例
相關概念
配管系統性質
配管實體性質
管尺寸設定方法
關於壓力降計算