衛工系統尺寸設定範例
下列影像展示各種管尺寸設定方法的結果。
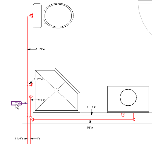
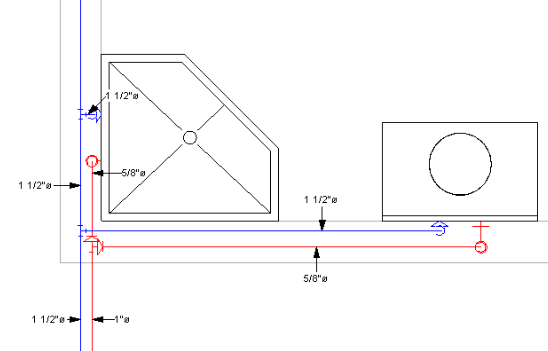
摩擦力和速度
在調整大小之前
在調整大小之後
僅限摩擦力
在調整大小之前
在調整大小之後
摩擦力和速度 - 較大分支
在調整大小之前
在調整大小之後
摩擦力和速度 - 相符接點大小
在調整大小之前
在調整大小之後
僅限速度
在調整大小之前
在調整大小之後
系統檢查程式
單管
流程圖
上層主題:
管尺寸設定範例
相關概念
裝置單位與流量 (GPM) 轉換
配管系統性質
配管實體性質
管尺寸設定方法