檢閱並修改冷成型鋼結構框架元素的剖面造型標註參數值。
這些類型性質是從元素的「剖面造型」族群品類參數所建立。
| 剖面造型 | 可用的造型標註參數 |
|---|---|
矩形 HSS (冷成形鋼)
![]() |
B. 寬度:剖面造型的外部寬度。 H. 高度:剖面造型的外部高度。 T. 牆設計厚度:剖面造型之內部與外部表面間的垂直設計厚度。 t. 牆標稱厚度:剖面造型之內部與外部表面間的平均垂直距離。 r1.內圓角:空心矩形結構剖面造型的內圓角半徑。 r2.外圓角:空心矩形結構剖面造型的外圓角半徑。 y. 水平距心:剖面造型距心與水平軸左端點間的距離。 z. 垂直距心:剖面造型距心與垂直軸下端點間的距離。 |
圓形 HSS (冷成形鋼)
![]() |
D. 直徑:外部直徑的圓形剖面造型。 T. 牆設計厚度:剖面造型之內部與外部表面間的垂直設計厚度。 t. 牆標稱厚度:剖面造型之內部與外部表面間的平均垂直距離。 y. 水平距心:剖面造型距心與水平軸左端點間的距離。 z. 垂直距心:剖面造型距心與垂直軸下端點間的距離。 |
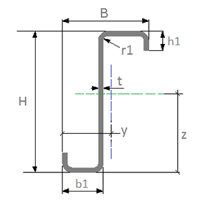
C 形輪廓
![]() |
B. 寬度:剖面造型的外部寬度。 H. 高度:剖面造型的外部高度。 T. 牆設計厚度:剖面造型之內部與外部表面間的垂直設計厚度。 t. 牆標稱厚度:剖面造型之內部與外部表面間的平均垂直距離。 r1. 內部角:冷成形鋼剖面造型的折彎內圓角半徑。 y. 水平距心:剖面造型距心與水平軸左端點間的距離。 z. 垂直距心:剖面造型距心與垂直軸下端點間的距離。 |
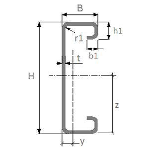
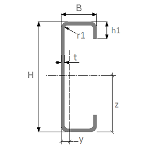
C 形輪廓 (帶折疊)
![]() |
B. 寬度:剖面造型的外部寬度。 H. 高度:剖面造型的外部高度。 h1. 唇長度:剖面造型外部表面與唇段終段間的距離。 b1. 摺疊長度:唇段外部表面與摺疊的末端段間的距離。 T. 牆設計厚度:剖面造型之內部與外部表面間的垂直設計厚度。 t. 牆標稱厚度:剖面造型之內部與外部表面間的平均垂直距離。 r1. 內部角:冷成形鋼剖面造型的折彎內圓角半徑。 y. 水平距心:剖面造型距心與水平軸左端點間的距離。 z. 垂直距心:剖面造型距心與垂直軸下端點間的距離。 |
C 縱斷面與唇
![]() |
B. 寬度:剖面造型的外部寬度。 H. 高度:剖面造型的外部高度。 h1. 唇長度:剖面造型外部表面與唇段終段間的距離。 T. 牆設計厚度:剖面造型之內部與外部表面間的垂直設計厚度。 t. 牆標稱厚度:剖面造型之內部與外部表面間的平均垂直距離。 r1. 內部角:冷成形鋼剖面造型的折彎內圓角半徑。 y. 水平距心:剖面造型距心與水平軸左端點間的距離。 z. 垂直距心:剖面造型距心與垂直軸下端點間的距離。 |
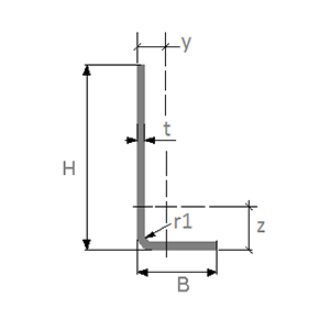
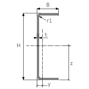
L 縱斷面
![]() |
B. 寬度:剖面造型的外部寬度。 H. 高度:剖面造型的外部高度。 T. 牆設計厚度:剖面造型之內部與外部表面間的垂直設計厚度。 t. 牆標稱厚度:剖面造型之內部與外部表面間的平均垂直距離。 r1. 內部角:冷成形鋼剖面造型的折彎內圓角半徑。 y. 水平距心:剖面造型距心與水平軸左端點間的距離。 z. 垂直距心:剖面造型距心與垂直軸下端點間的距離。 |
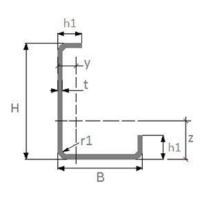
L 縱斷面與唇
![]() |
B. 寬度:剖面造型的外部寬度。 H. 高度:剖面造型的外部高度。 h1. 唇長度:剖面造型外部表面與唇段終段間的距離。 T. 牆設計厚度:剖面造型之內部與外部表面間的垂直設計厚度。 t. 牆標稱厚度:剖面造型之內部與外部表面間的平均垂直距離。 r1. 內部角:冷成形鋼剖面造型的折彎內圓角半徑。 y. 水平距心:剖面造型距心與水平軸左端點間的距離。 z. 垂直距心:剖面造型距心與垂直軸下端點間的距離。 |
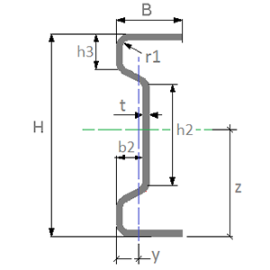
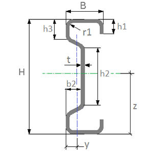
Sigma 縱斷面
![]() |
B. 寬度:剖面造型的外部寬度。 H. 高度:剖面造型的外部高度。 b2. 折彎寬度:剖面造型左端點與中折彎管段外部表面間的距離。 h2. 中間折彎長度:中折彎管段內部表面的長度。 h3. 頂部折彎長度:剖面造型頂部外部表面與折彎線段頂部終段之間的距離。 T. 牆設計厚度:剖面造型之內部與外部表面間的垂直設計厚度。 t. 牆標稱厚度:剖面造型之內部與外部表面間的平均垂直距離。 r1. 內部角:冷成形鋼剖面造型的折彎內圓角半徑。 y. 水平距心:剖面造型距心與水平軸左端點間的距離。 z. 垂直距心:剖面造型距心與垂直軸下端點間的距離。 |
摺疊 Sigma 縱斷面
![]() |
B. 寬度:剖面造型的外部寬度。 H. 高度:剖面造型的外部高度。 b1. 摺疊長度:唇段外部表面與摺疊的末端段間的距離。 h1. 唇長度:剖面造型外部表面與唇段終段間的距離。 b2. 折彎寬度:剖面造型左端點與中折彎管段外部表面間的距離。 h2. 中間折彎長度:中折彎管段內部表面的長度。 h3. 頂部折彎長度:剖面造型頂部外部表面與折彎線段頂部終段之間的距離。 T. 牆設計厚度:剖面造型之內部與外部表面間的垂直設計厚度。 t. 牆標稱厚度:剖面造型之內部與外部表面間的平均垂直距離。 r1. 內部角:冷成形鋼剖面造型的折彎內圓角半徑。 y. 水平距心:剖面造型距心與水平軸左端點間的距離。 z. 垂直距心:剖面造型距心與垂直軸下端點間的距離。 |
Sigma 縱斷面與唇
![]() |
B. 寬度:剖面造型的外部寬度。 H. 高度:剖面造型的外部高度。 b2. 折彎寬度:剖面造型左端點與中折彎管段外部表面間的距離。 h1. 唇長度:剖面造型外部表面與唇段終段間的距離。 h2. 中間折彎長度:中折彎管段內部表面的長度。 h3. 頂部折彎長度:剖面造型頂部外部表面與折彎線段頂部終段之間的距離。 T. 牆設計厚度:剖面造型之內部與外部表面間的垂直設計厚度。 t. 牆標稱厚度:剖面造型之內部與外部表面間的平均垂直距離。 r1. 內部角:冷成形鋼剖面造型的折彎內圓角半徑。 y. 水平距心:剖面造型距心與水平軸左端點間的距離。 z. 垂直距心:剖面造型距心與垂直軸下端點間的距離。 |
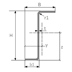
Z 縱斷面
![]() |
B. 寬度:剖面造型的外部寬度。 H. 高度:剖面造型的外部高度。 b1. 底部凸緣長度:剖面造型內部表面與底部凸緣線段終段之間的距離。 T. 牆設計厚度:剖面造型之內部與外部表面間的垂直設計厚度。 t. 牆標稱厚度:剖面造型之內部與外部表面間的平均垂直距離。 r1. 內部角:冷成形鋼剖面造型的折彎內圓角半徑。 y. 水平距心:剖面造型距心與水平軸左端點間的距離。 z. 垂直距心:剖面造型距心與垂直軸下端點間的距離。 |
Z 縱斷面與唇
![]() |
B. 寬度:剖面造型的外部寬度。 H. 高度:剖面造型的外部高度。 b1. 底部凸緣長度:剖面造型內部表面與底部凸緣線段終段之間的距離。 h1. 唇長度:剖面造型外部表面與唇段終段間的距離。 T. 牆設計厚度:剖面造型之內部與外部表面間的垂直設計厚度。 t. 牆標稱厚度:剖面造型之內部與外部表面間的平均垂直距離。 r1. 內部角:冷成形鋼剖面造型的折彎內圓角半徑。 y. 水平距心:剖面造型距心與水平軸左端點間的距離。 z. 垂直距心:剖面造型距心與垂直軸下端點間的距離。 |