Ve výchozím nastavení jsou automatické kóty náčrtu vypnuty. Zobrazí se, pokud je v rodině alespoň jedna kóta s popiskem.
Na dalším obrázku si všimněte, že je do této geometrie přidána kóta, ale není označena popiskem.

Nejsou vidět žádné automatické kóty náčrtu.
Zapnutí viditelnosti automatických kót náčrtu:
panel Grafika
(Viditelnost/Zobrazení) nebo zadejte text VG.
Zobrazí se automatické kóty náčrtu.

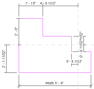
V aplikaci Revit se rozpozná, kde existuje každá čára této geometrie vzhledem k referenčním rovinám nebo ostatním čárám náčrtů.
Přidávané uzamknuté kóty nahrazují automatické kóty náčrtu, jak ukazuje obrázek.
