Informationen zum Format für grafische Querverweise

Wenn Sie den grafischen Stil des Querverweisformats verwenden, ändert sich die Vorschau entsprechend und zeigt, wie der Querverweis in der Zeichnung dargestellt wird.

Grafikschrift-Format

Zeigt das Querverweisformat unter Verwendung einer Grafikschrift im JIC- oder IEC-Stil an. Diese Einstellung wird unabhängig davon, welcher Kennzeichnungsmodus in den Projekteigenschaften zugewiesen ist, auf die Grafikschrift angewendet. Falls im eingefügten Betriebsmittel keine Querverweisüberschreibungen definiert sind, wird diese Einstellung den Zeichnungseigenschaften entnommen.

JIC

IEC

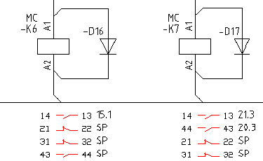
Im folgenden Beispiel werden Querverweise neben dem Symbol in Grafikschrift angezeigt, während die nicht verwendeten untergeordneten Elemente (Kontakte) als separate Querverweise angezeigt werden. Der Wert für Referenz füllen mit lautet "SP".

JIC

IEC

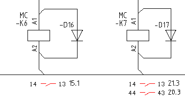
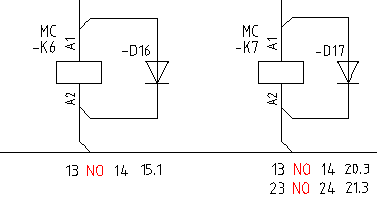
Kontaktverknüpfung-Format

Zeigt das Querverweisformat mit Querverweistypwerten an (Schließer, Öffner, SCHLIESSÖFF).

JIC

IEC