Bemaßungen für Querschnittsformen von Stahlelementen (sonstige)

Sie können die Werte der Bemaßungsparameter für Querschnittsformen bei sonstigen Tragwerkselementen aus Stahl überprüfen und ändern.

Diese Typeneigenschaften werden unter Verwendung des Familienkategorieparameters Querschnittsform für das Element erstellt.

Querschnittsform Verfügbare Bemaßungsparameter für die Form
Rechteckiger Stab

B. Breite: die äußere Breite der Querschnittsform.

H. Höhe: die äußere Höhe der Querschnittsform.

y. Schwerpunkt horizontal: die Entfernung vom Schwerpunkt der Querschnittsform zum linken Ende entlang der horizontalen Achse.

z. Schwerpunkt vertikal: die Entfernung vom Schwerpunkt der Querschnittsform zum unteren Ende entlang der vertikalen Achse.

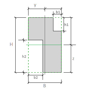
Rechteck geschnitten

B. Breite: die äußere Breite der Querschnittsform.

H. Höhe: die äußere Höhe der Querschnittsform.

h1. Schnitthöhe oben: Höhe des Schnitts an der Oberseite der Querschnittsform mit rechteckigem Schnitt.

b1. Schnittbreite oben: Breite des Schnitts an der Oberseite der Querschnittsform mit rechteckigem Schnitt.

h2. Schnitthöhe unten: Höhe des Schnitts an der Unterseite der Querschnittsform mit rechteckigem Schnitt.

b2. Schnittbreite unten: Breite des Schnitts an der Unterseite der Querschnittsform mit rechteckigem Schnitt.

y. Schwerpunkt horizontal: die Entfernung vom Schwerpunkt der Querschnittsform zum linken Ende entlang der horizontalen Achse.

z. Schwerpunkt vertikal: die Entfernung vom Schwerpunkt der Querschnittsform zum unteren Ende entlang der vertikalen Achse.

Runder Stab

D. Durchmesser: der Außendurchmesser der runden Querschnittsform.

y. Schwerpunkt horizontal: die Entfernung vom Schwerpunkt der Querschnittsform zum linken Ende entlang der horizontalen Achse.

z. Schwerpunkt vertikal: die Entfernung vom Schwerpunkt der Querschnittsform zum unteren Ende entlang der vertikalen Achse.

T-Profil

B. Breite: die äußere Breite der Querschnittsform.

H. Höhe: die äußere Höhe der Querschnittsform.

h1. Höhe Ausklinkung: Höhe des Auslegerflanschs in der Querschnittsform.

b1. Länge Ausklinkung: Länge des Auslegerflanschs in der Querschnittsform.

y. Schwerpunkt horizontal: die Entfernung vom Schwerpunkt der Querschnittsform zum linken Ende entlang der horizontalen Achse.

z. Schwerpunkt vertikal: die Entfernung vom Schwerpunkt der Querschnittsform zum unteren Ende entlang der vertikalen Achse.

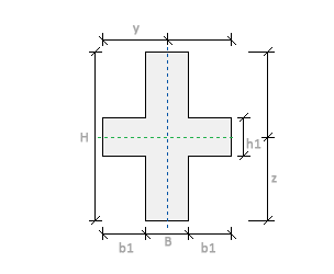
Kreuzform

B. Breite: die äußere Breite der Querschnittsform.

H. Höhe: die äußere Höhe der Querschnittsform.

h1. Höhe Ausklinkung: Höhe des Auslegerflanschs in der Querschnittsform.

b1. Länge Ausklinkung: Länge des Auslegerflanschs in der Querschnittsform.

y. Schwerpunkt horizontal: die Entfernung vom Schwerpunkt der Querschnittsform zum linken Ende entlang der horizontalen Achse.

z. Schwerpunkt vertikal: die Entfernung vom Schwerpunkt der Querschnittsform zum unteren Ende entlang der vertikalen Achse.

I-Profil geschweißt (Stahl durchbrochen und geschweißt)

B. Breite: die äußere Breite der Querschnittsform.

H. Höhe: die äußere Höhe der Querschnittsform.

T2. Dicke oberer Flansch: der Abstand zwischen den Außenflächen des oberen Flanschs in der Querschnittsform eines durchbrochenen oder geschweißten Elements.

b1. Breite oberer Flansch: die äußere Breite des oberen Flanschs in der Querschnittsform eines durchbrochenen oder geschweißten Elements.

T1. Dicke unterer Flansch: der Abstand zwischen den Außenflächen des unteren Flanschs in der Querschnittsform eines durchbrochenen oder geschweißten Elements.

b2. Breite unterer Flansch: die äußere Breite des unteren Flanschs in der Querschnittsform eines durchbrochenen oder geschweißten Elements.

t. Stegdicke: der Abstand zwischen den Außenflächen des Stegs in der Querschnittsform.

H Steghöhe: der am Steg entlang gemessene Abstand zwischen den Flanschen in der Querschnittsform.

y. Schwerpunkt horizontal: die Entfernung vom Schwerpunkt der Querschnittsform zum linken Ende entlang der horizontalen Achse.

z. Schwerpunkt vertikal: die Entfernung vom Schwerpunkt der Querschnittsform zum unteren Ende entlang der vertikalen Achse.