Parte 3 del ejemplo de fresado de 2,5D: Creación de figuras

En este paso se ilustra la creación de figuras de cajera rectangular y de agujero.

Pulgadas:

Milímetros:

  1. Cree una figura de agujero.
    1. Seleccione la pestaña de Inicio > panel de Programa de pieza > Figuras.
    2. En el asistente de Figura nueva, seleccione Agujero en la sección de Desde dimensiones y haga clic en Siguiente.
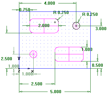
    3. Introduzca un Diámetro de 0,5 (12 mm) y haga clic en Siguiente.
    4. Introduzca una posición del centro del agujero de X 1,0 (25 mm) e Y 1,0 (25 mm) y haga clic en Siguiente.

      Se abre la página de Estrategias. La página determina los tipos de operación que se utilizan para cortar la figura. Las operaciones por defecto de las figuras de agujero son el punteado y el taladrado, en ese orden. Cuando los agujeros tienen chaflanes, la opción por defecto es la de cortar el chaflán con la operación de la broca de puntear.

    5. Acepte la configuración de estrategia predeterminada haciendo clic en Siguiente.

      La página de Operaciones recoge las operaciones de corte de la figura, las herramientas seleccionadas automáticamente y los avances y velocidades.

    6. En el botón del menú de Finalizar, seleccione la opción de Finalizar.
  2. Cree una figura de cajera rectangular.
    1. Seleccione la pestaña de Inicio > panel de Programa de pieza > Figuras.
    2. En el asistente de Figura nueva, en la lista de Desde dimensiones, seleccione Cajera rectangular y haga clic en Aceptar.
    3. Acepte las dimensiones predeterminadas haciendo clic en Siguiente.
    4. Introduzca una ubicación para la cajera de X 0,75 (15 mm), Y 2,5 (60 mm) y Z 0 (0 mm) y haga clic en Siguiente.

      La página de Estrategia indica que se han creado las operaciones de desbaste y acabado.

    5. Haga clic en el botón de Finalizar.
  3. Seleccione la pestaña de Inicio > panel de Programa de pieza > Figuras y cree un segundo agujero con un diámetro de 0,5 (12 mm), posicionado en X=4 (95 mm) e Y=3 (75 mm).
  4. Seleccione la pestaña de Inicio > panel de Programa de pieza > Figuras y cree otra cajera rectangular con las mismas dimensiones que la primera, pero posicionada en X=2,5 (55 mm), Y=0,5 (15 mm).

  5. Seleccione Fichero > Guardar y guarde la pieza como fresado.fm.